FREE REPAIR MANUALS & LABOR GUIDES 1982-2013 Vehicles
Courtesy of Operation CHARM
:
Car repair manuals for everyone.
Home
>>
Subaru
>>
1988
>>
XT-6 2WD L6-2.7L SOHC
>>
Repair and Diagnosis
>>
Heating and Air Conditioning
>>
Locations
>>
System Components
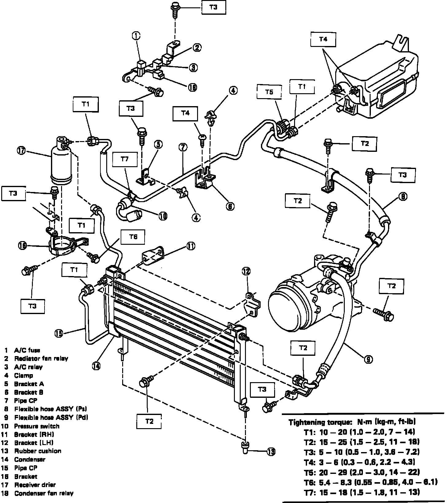
System Components
System Components: