FREE REPAIR MANUALS & LABOR GUIDES 1982-2013 Vehicles
Courtesy of Operation CHARM: Car repair manuals for everyone.

Engine Controls Schematics



Engine Controls Schematics (2.8L (LAU))

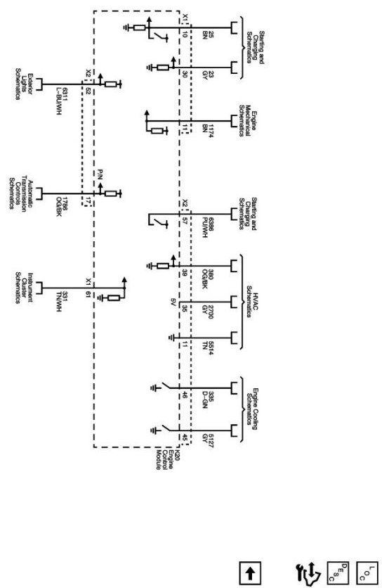
Module Power, Ground Serial Data, and Indicator






5V1 and Low Reference Bus






5V2, 5V3, 5V4, and Low Reference Bus






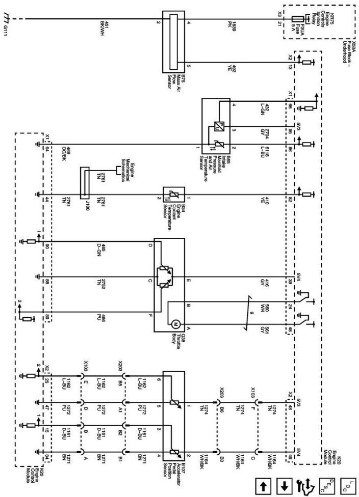
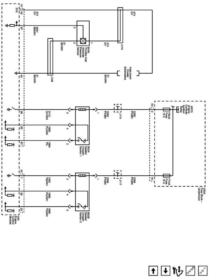
Engine Data Sensors - Pressure, Temperature, and Throttle Controls






Engine Data Sensors - Pressure Controls and Oxygen Sensors






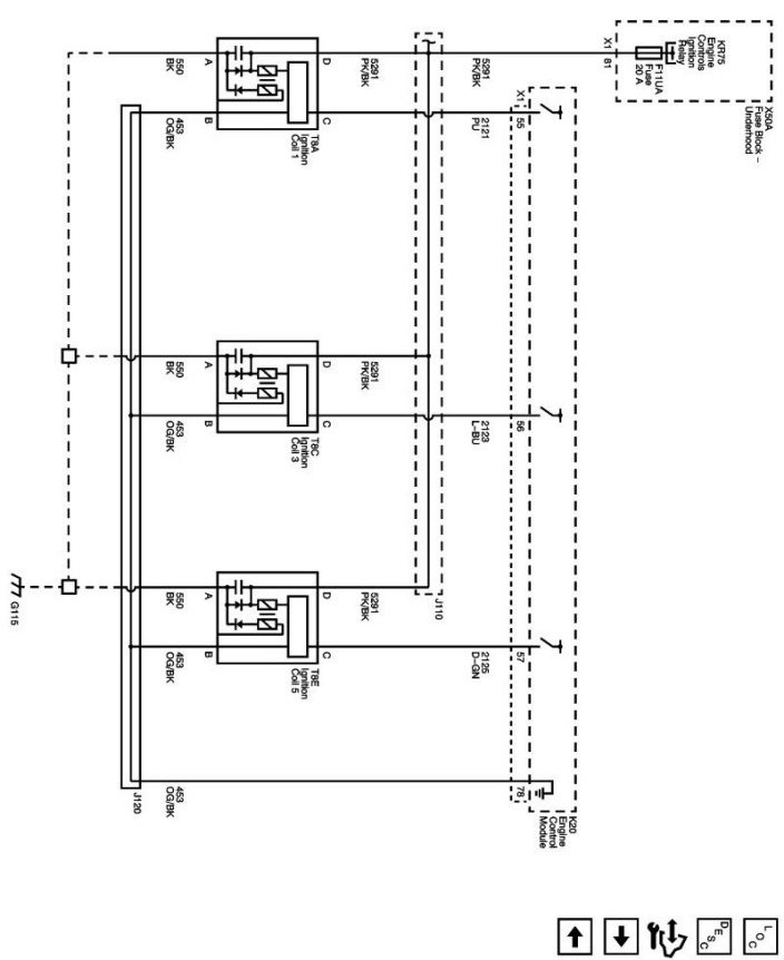
Ignition Controls - Bank 1 Ignition System






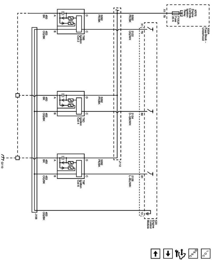
Ignition Controls - Bank 2 Ignition System






Ignition Controls - Camshaft, Crankshaft, Knock Sensors and Camshaft Actuators






Fuel Controls - Fuel Injectors






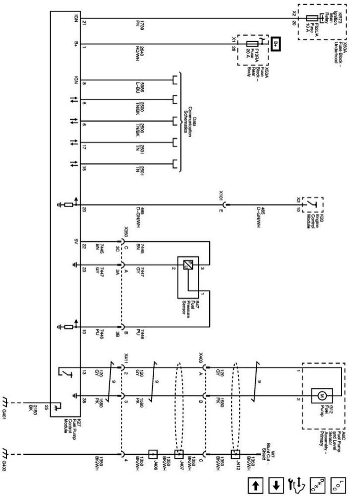
Fuel Controls - Fuel Pump






Fuel Controls - Evaporative Emission and Fuel Economy Controls






Fuel Controls - Secondary Air Injection and Turbocharger Controls






Controlled and Monitored Subsystem References