FREE REPAIR MANUALS & LABOR GUIDES 1982-2013 Vehicles
Courtesy of Operation CHARM
:
Car repair manuals for everyone.
Home
>>
Saab
>>
2011
>>
9-4X XWD V6-2.8L Turbo
>>
Repair and Diagnosis
>>
Body and Frame
>>
Locks
>>
Power Locks
>>
Specifications
>>
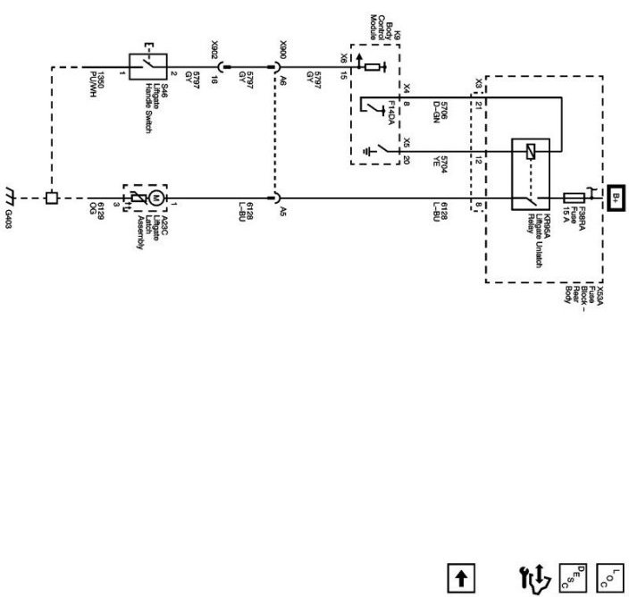
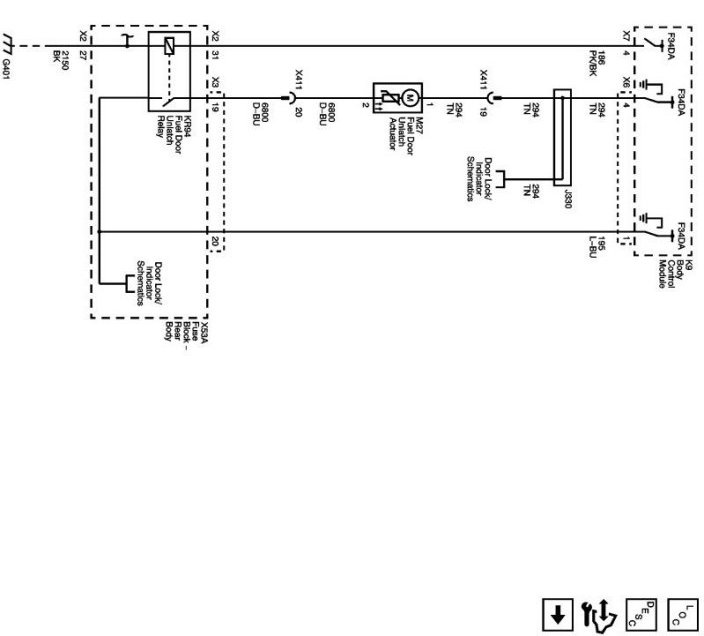
Release Systems Schematics
Release Systems Schematics
Release Systems Schematics
Fuel Door
Liftgate (without TB5)