FREE REPAIR MANUALS & LABOR GUIDES 1982-2013 Vehicles
Courtesy of Operation CHARM
:
Car repair manuals for everyone.
Home
>>
Saab
>>
2006
>>
9-2X F4-2.5L Turbo
>>
Repair and Diagnosis
>>
Starting and Charging
>>
Starting System
>>
Starter Motor
>>
Testing and Inspection
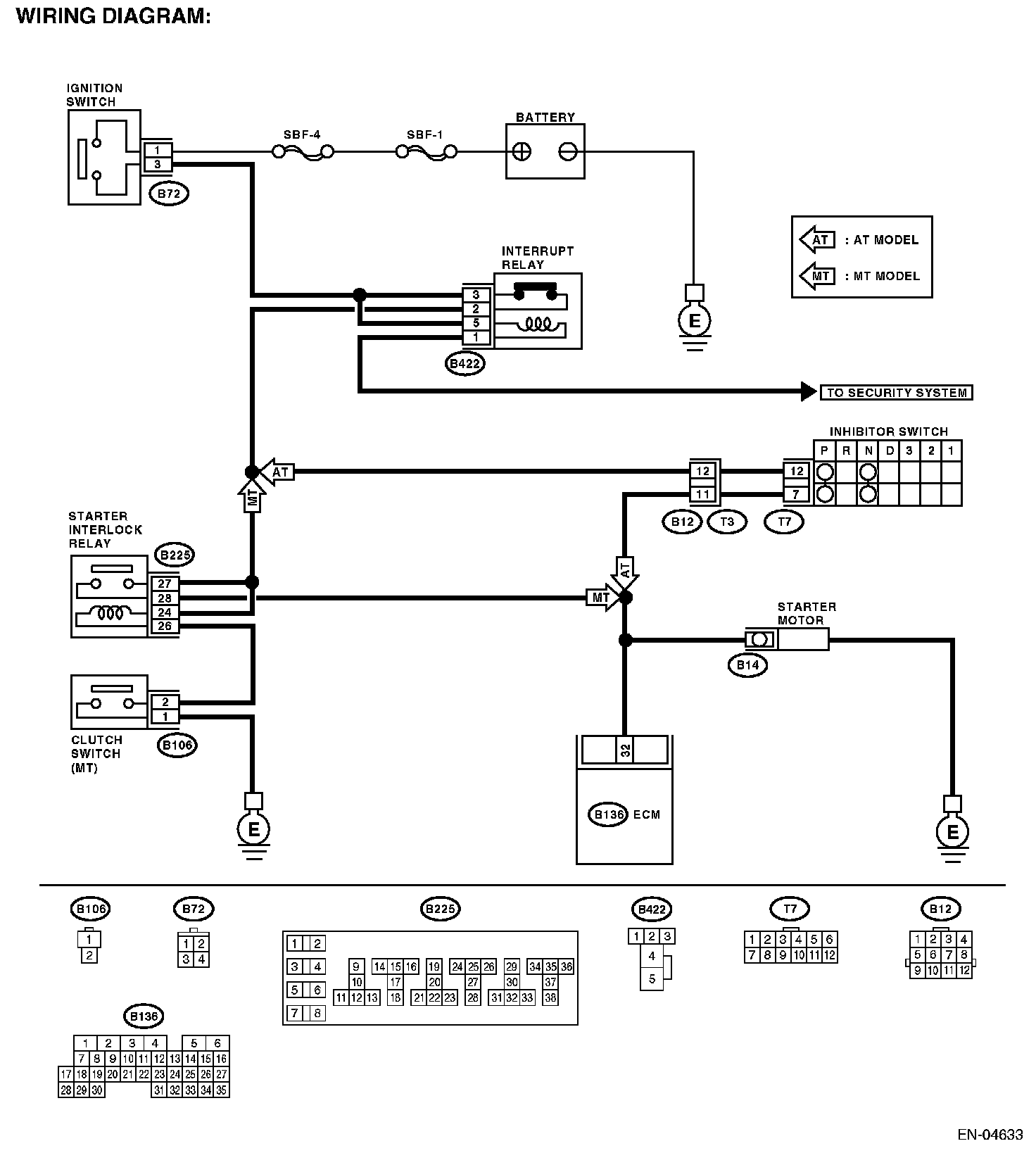
Starter Motor: Testing and Inspection
STARTER MOTOR
CIRCUIT
CAUTION:
After repair or replacement of faulty parts, conduct Clear Memory Mode and Inspection Mode.
List of Diagnostic Trouble Code (DTC)
Wiring Diagram:
Step 1 - 8:
Step 9 - 14: