FREE REPAIR MANUALS & LABOR GUIDES 1982-2013 Vehicles
Courtesy of Operation CHARM
:
Car repair manuals for everyone.
Home
>>
Saab
>>
2006
>>
9-2X F4-2.5L Turbo
>>
Repair and Diagnosis
>>
Specifications
>>
Mechanical Specifications
>>
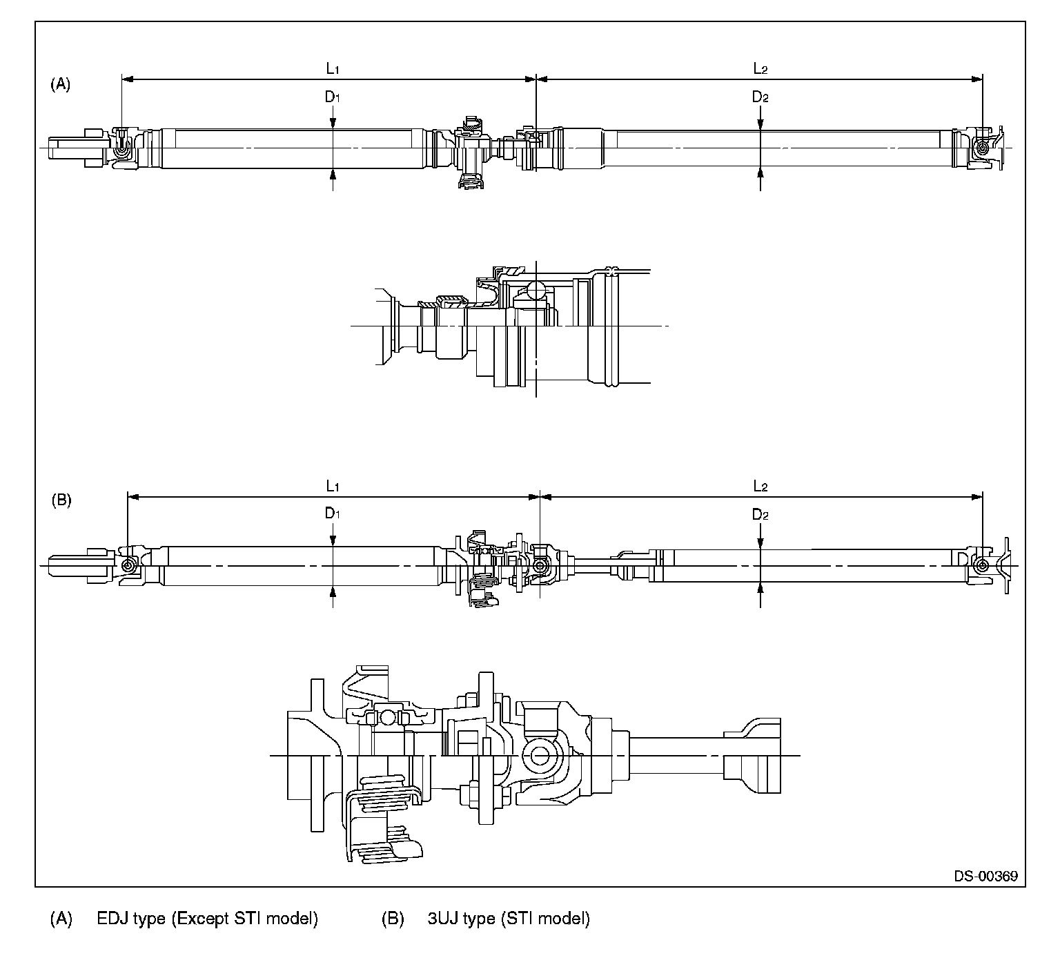
Drive/Propeller Shaft
>>
Propeller Shaft Dimensions
Propeller Shaft Dimensions
Propeller Shaft Dimensions 1:
Propeller Shaft Dimensions 2: