FREE REPAIR MANUALS & LABOR GUIDES 1982-2013 Vehicles
Courtesy of Operation CHARM
:
Car repair manuals for everyone.
Home
>>
Saab
>>
2006
>>
9-2X F4-2.5L Turbo
>>
Repair and Diagnosis
>>
Powertrain Management
>>
Ignition System
>>
Testing and Inspection
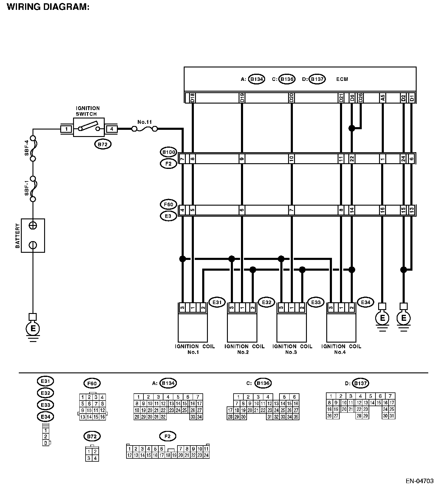
Ignition System: Testing and Inspection
IGNITION CONTROL SYSTEM
CAUTION:
After repair or replacement of faulty parts, conduct Clear Memory Mode and Inspection Mode.
List of Diagnostic Trouble Code (DTC)
Wiring Diagram:
Step 1 - 5:
Step 6 - 7: