FREE REPAIR MANUALS & LABOR GUIDES 1982-2013 Vehicles
Courtesy of Operation CHARM: Car repair manuals for everyone.

Ignition Shut Down Relay (For Antitheft): Testing and Inspection



INSPECTION

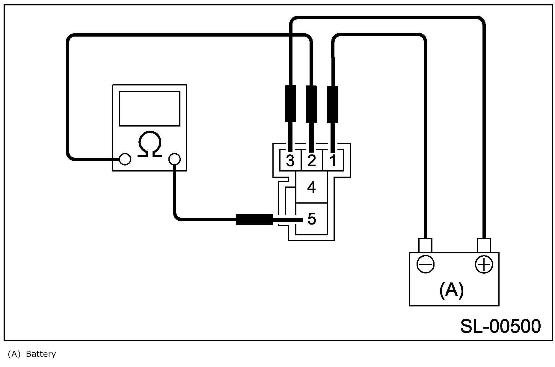
Measure the interrupt relay resistance between terminals (indicated in the table below) when connecting terminal No.3 to battery positive terminal and terminal No.1 to battery ground terminal.










If NG, replace the interrupt relay.

IMPORTANT: Do not connect the terminals to battery positive terminal and ground terminal incorrectly. If this happens, replace the interrupt relay.