FREE REPAIR MANUALS & LABOR GUIDES 1982-2013 Vehicles
Courtesy of Operation CHARM
:
Car repair manuals for everyone.
Home
>>
Saab
>>
2006
>>
9-2X F4-2.5L Turbo
>>
Repair and Diagnosis
>>
Diagrams
>>
Electrical Diagrams
>>
Powertrain Management
>>
System Diagram
>>
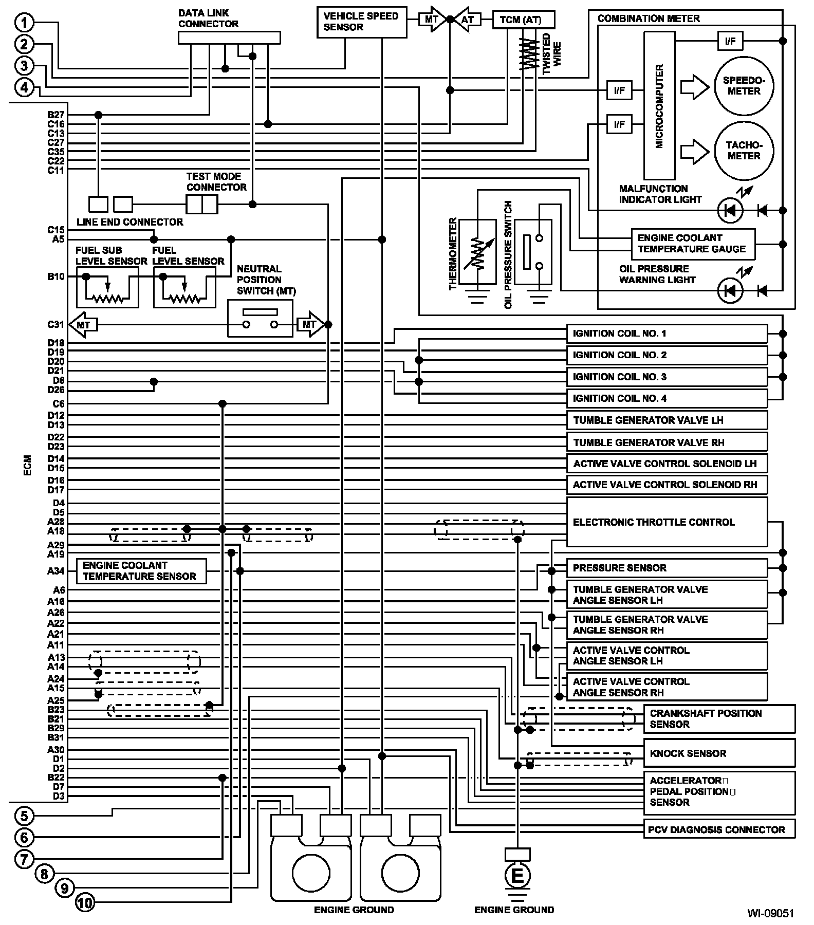
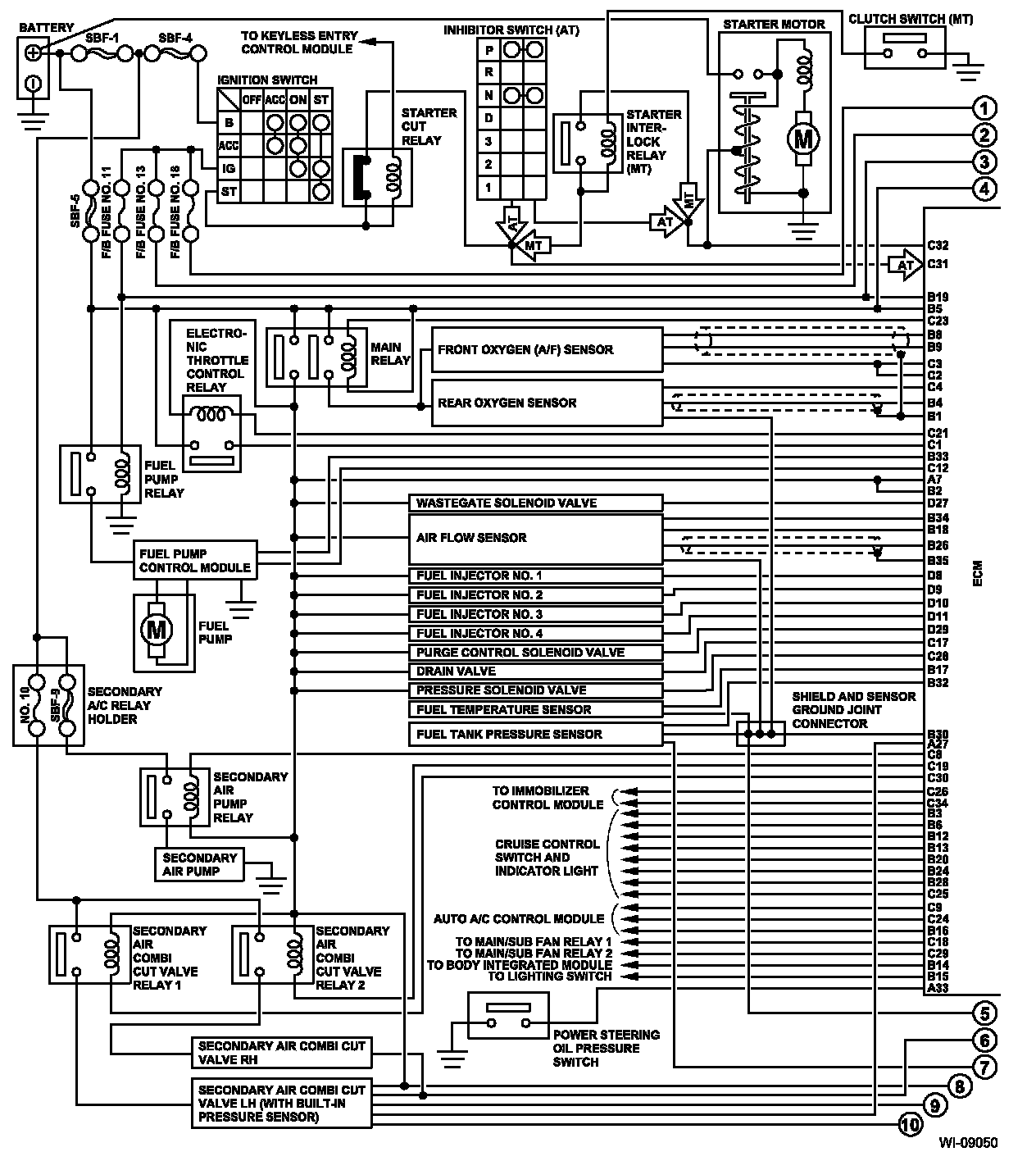
System Overview Schematic
System Overview Schematic
System Overview Schematic (Part 1):
System Overview Schematic (Part 2):