FREE REPAIR MANUALS & LABOR GUIDES 1982-2013 Vehicles
Courtesy of Operation CHARM: Car repair manuals for everyone.

Control Module HVAC: Service and Repair

HVAC MODULE ASSEMBLY REPLACEMENT

REMOVAL PROCEDURE

CAUTION: Refer to Battery Disconnect Caution in Service Precautions.




1. Disconnect the negative battery cable.
2. Discharge and recover the Refrigerant. Refer to Refrigerant Recovery and Recharging.
3. Drain the engine cooling system. Refer to Draining and Filling Cooling System in Cooling System.
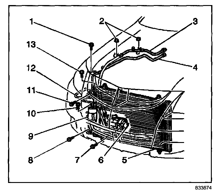
4. Remove the heater hoses (2, 3) at the heater core.

IMPORTANT: Cap the open fittings in order to prevent dirt and moisture from entering the refrigeration system.




5. Remove the evaporator inlet (4) and outlet (3) tubes from the evaporator.
6. Remove the instrument panel assembly.
7. Remove the instrument panel reinforcement.




8. Disconnect the blower motor electrical connector.
9. Separate the rear heater ducts (3) from the HVAC module assembly (1).
10. Remove the four nuts (2).
11. Pull the HVAC module assembly forward and remove from the vehicle.

INSTALLATION PROCEDURE




1. Install the HVAC module assembly (1) to the vehicle.

NOTE: Refer to Fastener Notice in Service Precautions.

2. Install the four nuts (2).

Tighten
Tighten the nuts (2) to 10 N.m (89 lb in).

3. Connect the rear heater ducts (3) to the HVAC module assembly (1).
4. Connect the blower motor electrical connector.
5. Install the instrument panel reinforcement.
6. Install the instrument panel assembly.




7. Install new O-rings lubricated with mineral base 525 viscosity refrigerant oil.
8. Install the evaporator inlet (4) and outlet (3) tubes to the evaporator.




9. Install the heater hoses (2, 3) to the heater core.
10. Fill the cooling system. Refer to Draining and Filling Cooling System.
11. Evacuate and Recharge the A/C system. Refer to Refrigerant Recovery and Recharging.
12. Connect the negative battery cable.

Tighten
Tighten the negative battery cable to 15 N.m (11 lb ft).

13. Operate the A/C system and test for refrigerant leaks. Refer to Leak Testing.