FREE REPAIR MANUALS & LABOR GUIDES 1982-2013 Vehicles
Courtesy of Operation CHARM
:
Car repair manuals for everyone.
Home
>>
Pontiac
>>
2000
>>
Sunfire L4-2.2L VIN 4
>>
Repair and Diagnosis
>>
Powertrain Management
>>
Diagrams
>>
Electrical Diagrams
>>
Engine Controls
>>
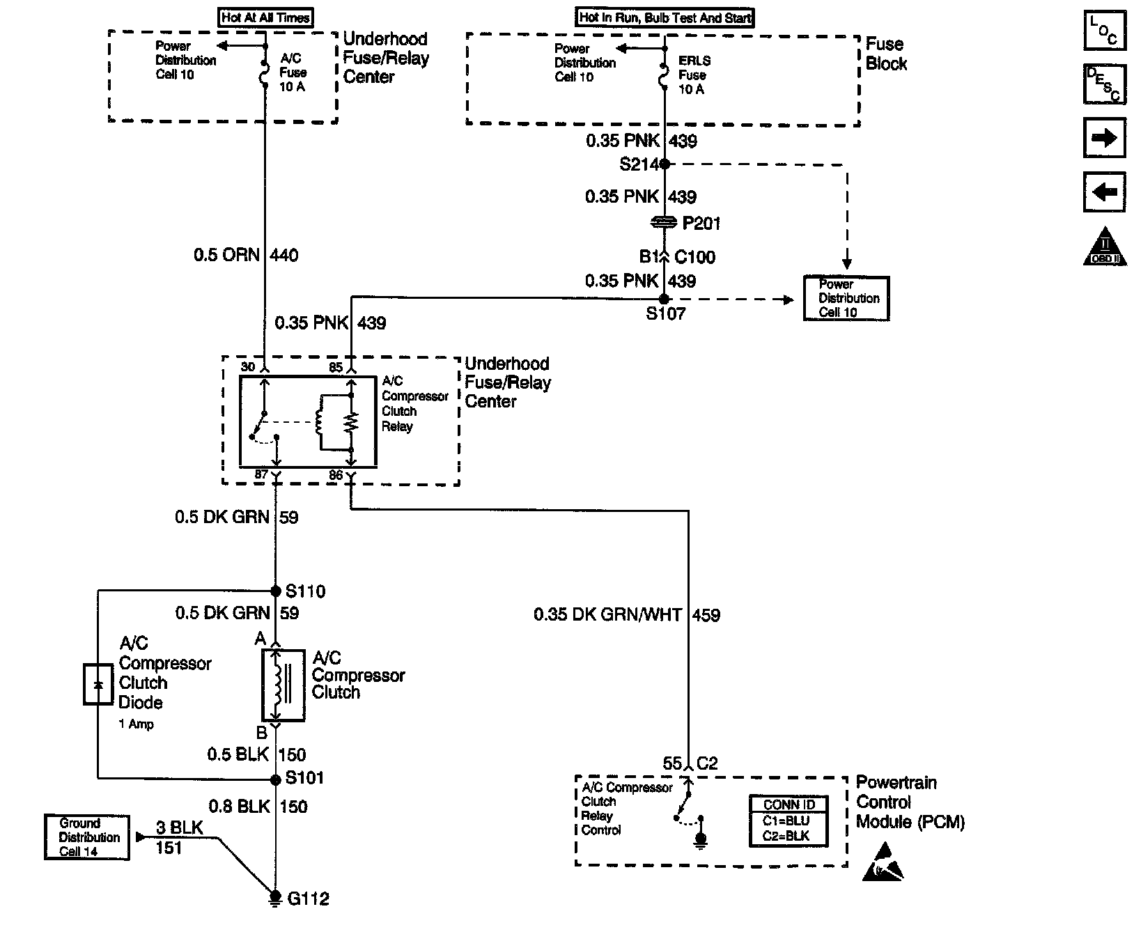
HVAC Controls
HVAC Controls
Engine Controls Schematics: A/C Compressor Clutch: