FREE REPAIR MANUALS & LABOR GUIDES 1982-2013 Vehicles
Courtesy of Operation CHARM: Car repair manuals for everyone.

Engine Oil Pressure Sensor/Switch Diagnosis

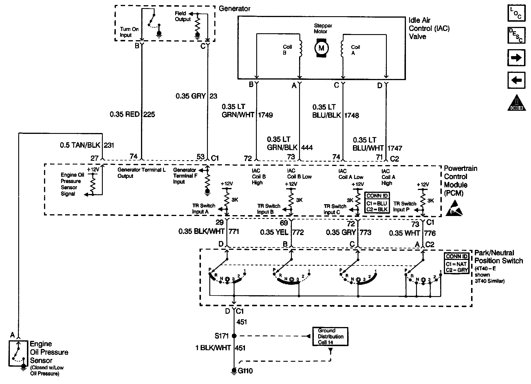
Engine Controls Schematics: Generator, IAC, PNP, and Oil Pressure Sensor:




Diagnostic Chart (Part 1 Of 2):




Diagnostic Chart (Part 2 Of 2):






CIRCUIT DESCRIPTION
The PCM applies battery voltage through a pull up resistor to the Engine Oil Pressure Switch circuit. The PCM monitors the applied voltage on the Engine Oil Pressure Switch circuit. If the ignition switch is turned ON with the engine not running or engine oil pressure is below 35 kPa (5 psi), the Engine Oil Pressure switch grounds the PCM voltage input. The PCM sends the engine oil pressure information via Class II serial data to the Instrument Panel Cluster (IPC). The IPC controls the Engine Oil Pressure Indicator.

DIAGNOSTIC AIDS
Inspect for the following conditions:
^ Poor connections. Inspect PCM and harness connectors for backed out terminals, improper mating, broken locks, improperly formed or damaged terminals, and poor terminal to wire connection.
^ Damaged harness. Inspect the wiring harness for damage. If the harness appears to be OK, disconnect the Engine Oil Pressure switch, turn the ignition ON, with the engine OFF and observe a voltmeter connected between the Engine Oil Pressure switch connector terminals while moving wiring harnesses related to the Engine Oil Pressure Switch circuit. A change in voltage will indicate the location of the fault.