FREE REPAIR MANUALS & LABOR GUIDES 1982-2013 Vehicles
Courtesy of Operation CHARM: Car repair manuals for everyone.

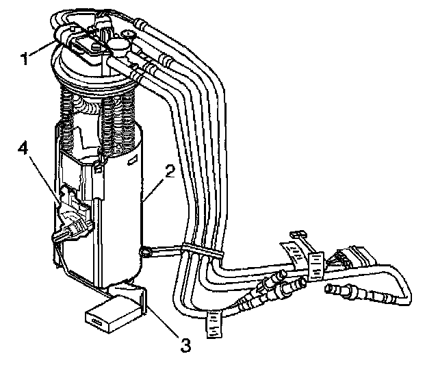
Circuit Description




The fuel tank pressure sensor (1) is mounted on top of the modular fuel sender. The sensor measures the difference between the fuel vapor pressure, or vacuum, in the fuel tank and the outside air pressure. A three wire electrical harness connects it to the Powertrain Control Module (PCM). The PCM supplies a 5 volt reference signal and ground to the sensor. The sensor will return a voltage between 0.1 volts and 4.9 volts back to the PCM depending on the fuel vapor pressure in the fuel tank. When the fuel pressure in the fuel tank is equal to the outside air pressure, such as when the fuel cap is removed, the output voltage will be 1.3 volts to 1.7 volts.