FREE REPAIR MANUALS & LABOR GUIDES 1982-2013 Vehicles
Courtesy of Operation CHARM
:
Car repair manuals for everyone.
Home
>>
Pontiac
>>
2000
>>
Sunfire L4-2.2L VIN 4
>>
Repair and Diagnosis
>>
Heating and Air Conditioning
>>
Diagrams
>>
Electrical Diagrams
>>
Compressor Control Schematics
>>
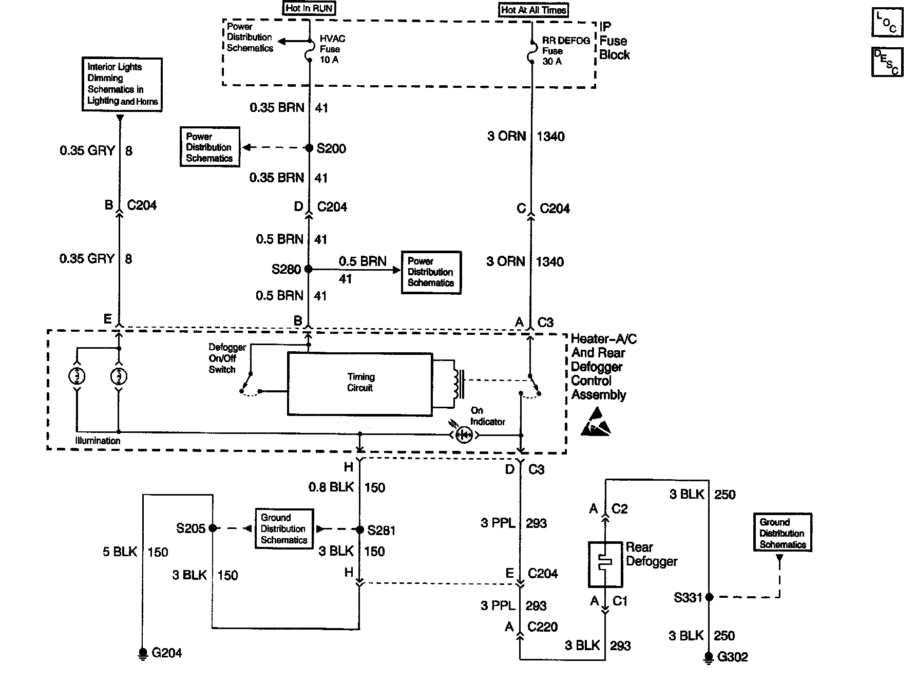
Heater-A/C and Rear Defogger Control Assembly
Heater-A/C and Rear Defogger Control Assembly
HVAC Compressor Control Schematics: Heater-A/C And Rear Defogger Control Assembly:
Defogger Schematics : Rear Defogger Control Assembly: