FREE REPAIR MANUALS & LABOR GUIDES 1982-2013 Vehicles
Courtesy of Operation CHARM: Car repair manuals for everyone.

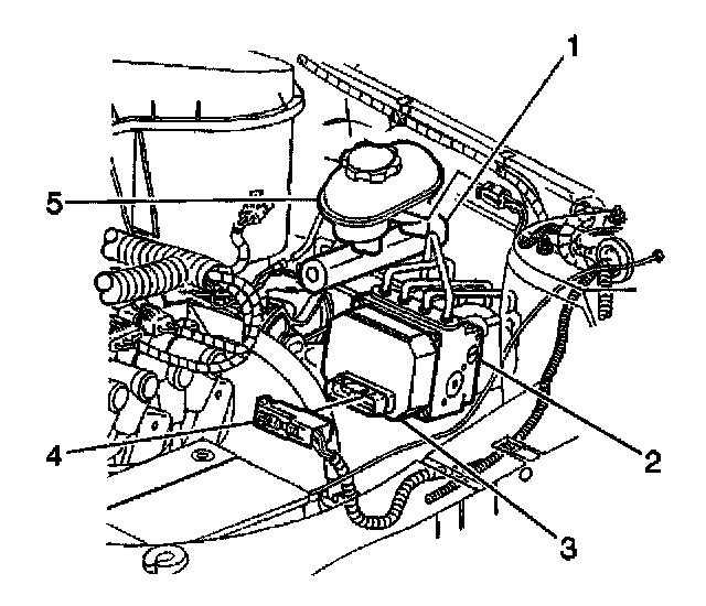
Electronic Brake Control Module: Service and Repair

Removal Procedure





Notice: To prevent equipment damage, never connect or disconnect the wiring harness connection from the EBCM with the ignition switch in the ON position.

1. Turn the ignition switch to the OFF position.
2. Remove the Connector Position Assurance (CPA) (2) from the connector lock tab (1).





3. Push the lock tab down and then move the sliding connector cover to the open position.
4. Disconnect the Electronic Brake Control Module (EBCM) harness connector (4).
5. Brush off any dirt/debris that has accumulated on the assembly.





6. Remove the four EBCM to Brake Pressure Modulator Valve (BPMV) screws.

Important: Do not pry apart using a tool. Be careful not to damage BPMV surface.

Important: Care must be taken not to damage the solenoid valves when the EBCM is removed from the BPMV.

7. Separate the EBCM (1) from the BPMV (2) by gently pulling apart until separated.

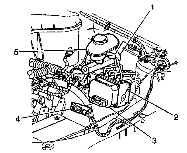
Installation Procedure





1. Clean the EBCM gasket and the BPMV surface with alcohol using a clean rag.
2. Install the EBCM (1) to the BPMV (2).

Notice: Refer to Fastener Notice in Service Precautions.

3. Install the four screws that attach the EBCM (1) to BPMV (2).

^ Tighten the four screws to 5 Nm (44 inch lbs.).





4. Connect the EBCM harness connector (4).
5. Push down the harness connector lock tab and then move the sliding connector cover back in the home position to lock.





6. Push the CPA (2) back into place.
7. Perform the A Diagnostic System Check - ABS.