FREE REPAIR MANUALS & LABOR GUIDES 1982-2013 Vehicles
Courtesy of Operation CHARM: Car repair manuals for everyone.

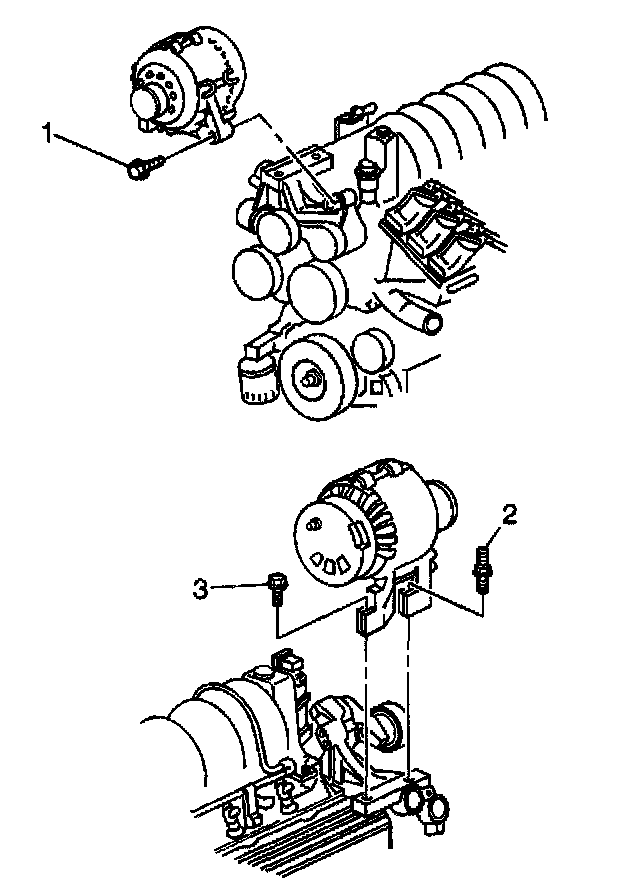
Generator Replacement

REMOVAL PROCEDURE
The Delphi CS130D (K68) 105 ampere generator is serviced as a complete unit only.
1. Disconnect the battery negative cable.
2. Remove the drive belt from the generator
3. Remove the generator rear brace.




4. Remove the bolts (1,3) and stud (2) from the generator.
5. Disconnect the electrical connector from the generator.
6. Position aside the protective boot from the generator output BAT terminal for access.
7. Remove the generator output BAT terminal nut and disconnect the battery (positive) lead from the generator.
8. Remove the generator.

INSTALLATION PROCEDURE




1. Position the generator to the engine.

NOTE: Refer to Fastener Notice in Service precautions.

2. Install the battery (positive) lead and the generator output BAT terminal nut.

Tighten
Tighten the generator output BAT terminal nut to 20 N.m (15 lb ft).

3. Press the protective boot on to the generator output BAT terminal.
4. Install the electrical connector to the generator.
5. Finger start the generator stud (2) to the generator bracket. Do not tighten the bolt.
6. Finger start the generator bolts (1,3) to the generator bracket. Do not tighten the bolt.
7. Tighten the generator bolts in the order described. The following is a mandatory torque sequence:

Tighten
7.1. Tighten the generator bolt (1) to 50 N.m (37 lb ft).
7.2. Tighten the generator stud (2) to 50 N.m (37 lb ft).
7.3. Tighten the generator rear bracket bolt (3) to 50 N.m (37 lb ft).

8. Install the generator rear brace.
9. Install the drive belt to the generator.
10. Connect the battery negative cable.

For a description of the RPO Code(s) shown in this article/images refer to the RPO Code List found at Vehicle/Application ID Application and ID