FREE REPAIR MANUALS & LABOR GUIDES 1982-2013 Vehicles
Courtesy of Operation CHARM: Car repair manuals for everyone.

Power and Ground Distribution: Service and Repair

REMOVAL PROCEDURE




1. Disconnect the negative battery cable.
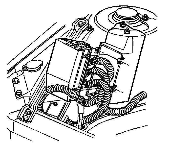
2. Release and reposition the remote positive battery cable stud cover.
3. Remove the nut retaining the positive battery cable lead to the underhood accessory wiring junction block, then reposition the cable lead away from the junction block.




4. Release the coolant recovery tank hose retainer from the junction block.
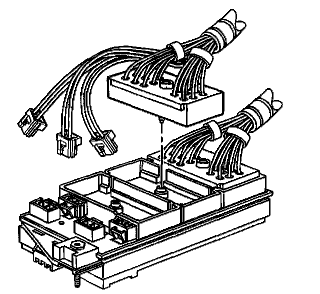
5. Release the four tabs retaining the junction block to the junction block retainer and reposition the junction block.




6. Disconnect the Instrument Panel (IP) wiring harness individual connectors from the junction block.




7. Loosen the bolts retaining the engine, IP and forward lamp wiring harness connectors to the junction block.
8. Disconnect the engine wiring harness connector from the junction block.




9. Disconnect the IP wiring harness connector from the junction block.




10. Disconnect the forward lamp wiring harness connector from the junction block.




11. If accessory wiring junction block retainer removal is necessary, perform the following:
11.1. Release the positive battery cable lead retainers from the junction block retainer, then reposition the cable lead away from the retainer.
11.2. Remove the nut retaining the junction block retainer to the strut tower.
11.3. Lift the junction block retainer to release the lower tab and remove the retainer from the vehicle.

INSTALLATION PROCEDURE




1. If accessory wiring junction block retainer installation is necessary, perform the following:
1.1. Position the junction block retainer to the strut tower and insert the lower tab on the retainer to the slot on the tower.

NOTE: Refer to Fastener Notice in Service Precautions.

1.2. Install the junction block retainer to strut tower nut.

Tighten
Tighten the underhood accessory wiring junction block retainer to strut tower nut to 3 N.m (27 lb in).

1.3. Position the positive battery cable lead end through the slot in the junction block retainer then secure the cable retainers.




2. Connect the forward lamp wiring harness connector to the junction block.




3. Connect the IP wiring harness connector to the junction block.




4. Connect the engine wiring harness connector to the junction block.
5. Tighten the bolts retaining the engine, IP and forward lamp wiring harness connectors to the junction block.

Tighten
Tighten the wiring harness connectors to underhood accessory wiring junction block retaining bolts to 7 N.m (62 lb in).




6. Connect the IP wiring harness individual connectors to the junction block.




7. Position the wiring harnesses and the accessory wiring junction block to the junction block retainer, align the four retaining tabs and press into place to secure the junction block.
8. Secure the coolant recovery tank hose retainer to the junction block.




9. Install the positive battery cable lead to the stud on the underhood accessory wiring junction block, then install the cable lead retaining nut.

Tighten
Tighten the positive battery cable lead to underhood accessory wiring junction block retaining nut to 10 N.m (89 lb in).

10. Install the remote positive battery cable stud cover.
11. Connect the negative battery cable.