FREE REPAIR MANUALS & LABOR GUIDES 1982-2013 Vehicles
Courtesy of Operation CHARM: Car repair manuals for everyone.

Symptom Related Diagnostic Procedures

Diagnostic Chart (Part 1 Of 7):




Diagnostic Chart (Part 2 Of 7):




Diagnostic Chart (Part 3 Of 7):




Diagnostic Chart (Part 4 Of 7):




Diagnostic Chart (Part 5 Of 7):




Diagnostic Chart (Part 6 Of 7):




Diagnostic Chart (Part 7 Of 7):




Engine Controls Schematics: Power, Ground, MIL and Data Link:




Engine Controls Schematics: CKP, CMP, ICM, Bank 1 KS and Bank 2 KS:




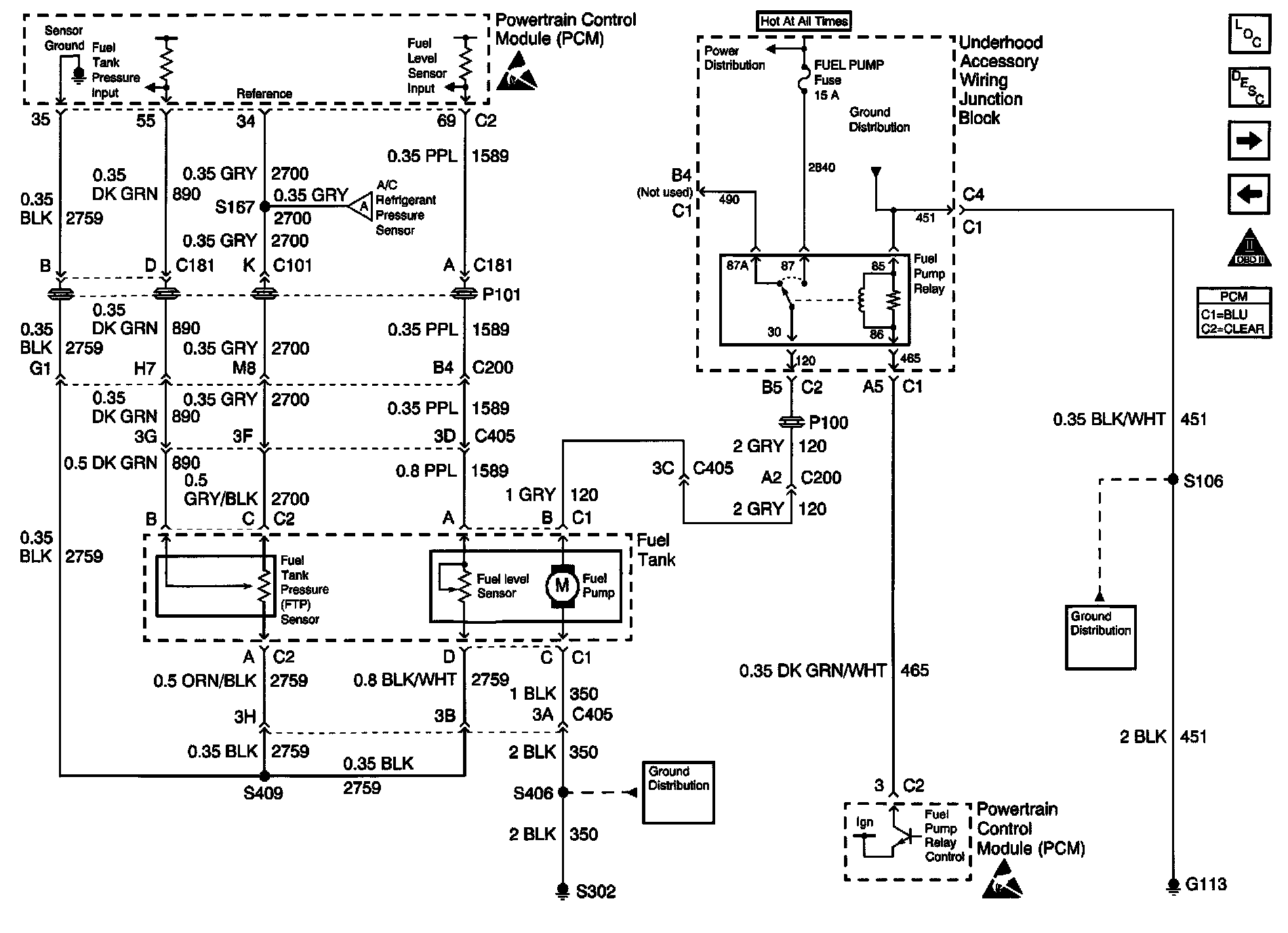
Engine Controls Schematics: Fuel Tank:




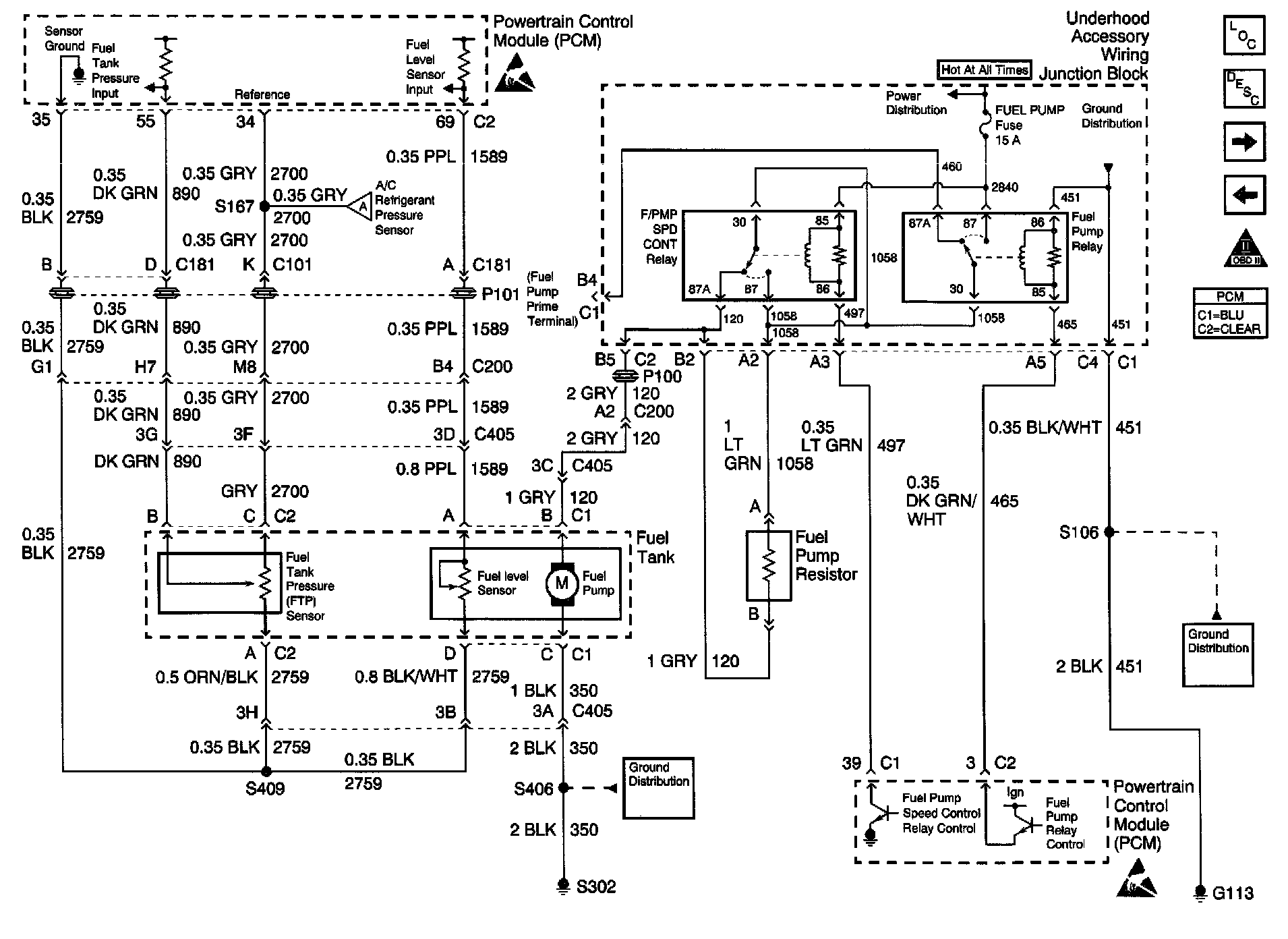
Engine Controls Schematics: Fuel Tank and Fuel Pump Resistor:






CIRCUIT DESCRIPTION
The Electronic Ignition system uses a waste spark method of spark distribution. In this type of ignition system, the ignition control module triggers the correct coil based on the sync signal received from the crankshaft position sensor, resulting in both spark plugs connected to the coil firing at the same time. The spark plug for the cylinder on the exhaust stroke requires a lower energy requirement to fire, leaving the remaining high voltage to fire the spark plug for the cylinder on the compression stroke.

During crank, the ignition control module monitors the CKP sync signal. The CKP sync signal is used to determine the correct cylinder [1][2]pair to fire first. The CKP sync signal is used only by the ignition control module to initiate ignition coil firing sequence. It is not passed to the PCM. After the ignition control module processes the CKP sync signal, the ignition control module monitors the 18X CKP signal and sends 18X and 3X reference pulses to the PCM. When the PCM receives these pulses, the PCM will command all six injectors to allow a priming shot of fuel for all the cylinders. After the priming, the injectors are left OFF during the next six 3X reference pulses from the ignition control module. This allows each cylinder a chance to use the fuel from the priming shot. During this waiting period, the PCM receives a camshaft position signal pulse. The camshaft position signal allows the PCM to operate the injectors sequentially based on camshaft position. If the camshaft position signal is not present at start-up, the PCM will begin sequential fuel delivery with a 1 in 6 chance that fuel delivery is correct.

DIAGNOSTIC AIDS
An intermittent may be caused by a poor connection, rubbed through wire insulation or broken wires inside the insulation. Inspect for the following items:
^ Poor connection or damaged harness. Inspect the PCM harness and connectors for improper mating, broken locks, improperly formed or damaged terminals, poor terminal to wire connection, and damaged harness.
^ Faulty Engine Coolant Temperature Sensor. Using a scan tool, compare Engine Coolant Temperature with Intake Air Temperature on a completely cool engine. Engine Coolant Temperature should be within 10 degrees C (14 degrees F) of Intake Air Temperature. If not, replace the ECT sensor.

TEST DESCRIPTION
Number(s) below refer to the step number(s) on the Diagnostic Table:
5. Determines if the Ignition Control Module (ICM) is receiving the 18X CKP Reference signal. If the 18X CKP signal to the ICM is not present, there will be no RPM, spark, or fuel injector pulses.
6. Ensures that the ICM has the proper voltage supply and ground.
8. Verifies that the ICM is supplying the proper sensor feed voltage.
24. Check for the proper operation of the CKP Sync signal, ICM and related spark system components. Without the CKP Sync signal the ICM is unable to properly sequence the ignition coils.
35. If the 18X and CKP Sync signals to the ICM or the 18X and 3X reference signals to the PCM short together the vehicle will not start and run. However, there will be spark and fuel injector pulses.
46. This vehicle is equipped with a PCM which utilizes an Electrically Erasable Programmable Read Only Memory (EEPROM). When the PCM is being replaced, the new PCM must be programmed.