FREE REPAIR MANUALS & LABOR GUIDES 1982-2013 Vehicles
Courtesy of Operation CHARM: Car repair manuals for everyone.

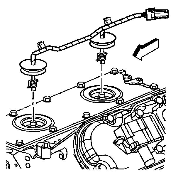
Knock Sensor: Service and Repair

REMOVAL PROCEDURE




1. Disconnect the negative battery cable.
2. Remove the intake manifold.
3. Remove the Knock Sensor wiring harness assembly.




4. Remove the Knock Sensor.

INSTALLATION PROCEDURE

NOTE: Refer to Fastener Notice in Service Precautions.




1. Install the Knock Sensor.

Tighten
Tighten the Knock Sensor to 15 N.m (11 lb ft).




2. Install the Knock Sensor wiring harness assembly.
3. Install the intake manifold.
4. Connect the negative battery cable.
5. Perform the idle learn procedure. Refer to PCM Idle Learn Procedure. PCM Idle Learn Procedure