FREE REPAIR MANUALS & LABOR GUIDES 1982-2013 Vehicles
Courtesy of Operation CHARM: Car repair manuals for everyone.

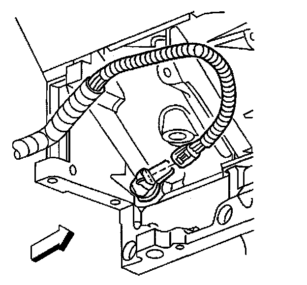
Crankshaft Position Sensor: Service and Repair

REMOVAL PROCEDURE

IMPORTANT: The PCM Idle Learn Procedure must be performed whenever the battery is disconnected. Refer to CKP System Variation Learn Procedure. Perform the CKP System Variation Learn Procedure when the Crankshaft Position sensor is removed or replaced.




1. Raise the vehicle. Refer to Lifting and Jacking the Vehicle in General Information.
2. Remove the starter.




3. Disconnect the Crankshaft Position (CKP) sensor electrical connector.




4. Remove the CKP sensor retaining bolt.
5. Remove the CKP sensor.

INSTALLATION PROCEDURE




1. Install the CKP sensor.

NOTE: Refer to Fastener Notice in Service Precautions.

2. Install the CKP sensor retaining bolt.

Tighten
Tighten the CKP sensor to 25 N.m (18 lb ft).




3. Connect the CKP sensor electrical connector.




4. Install the starter.
5. Lower the vehicle.
6. Perform the CKP System Variation Learn Procedure. Refer to CKP System Variation Learn Procedure.
7. Perform the Idle Learn Procedure. Refer to PCM Idle Learn Procedure. Programming and Relearning