FREE REPAIR MANUALS & LABOR GUIDES 1982-2013 Vehicles
Courtesy of Operation CHARM
:
Car repair manuals for everyone.
Home
>>
Pontiac
>>
2000
>>
Firebird V6-3.8L VIN K
>>
Repair and Diagnosis
>>
Diagrams
>>
Electrical Diagrams
>>
Powertrain Management
>>
Computers and Control Systems
>>
Body Control Module
>>
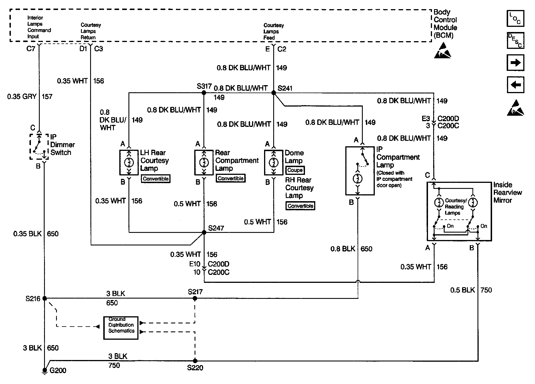
Body Control Module, and Courtesy Lamps
Body Control Module, and Courtesy Lamps
Body Control Module Schematics: Body Control Module, And Courtesy Lamps: