FREE REPAIR MANUALS & LABOR GUIDES 1982-2013 Vehicles
Courtesy of Operation CHARM
:
Car repair manuals for everyone.
Home
>>
Plymouth
>>
1994
>>
Laser FWD L4-1753cc 1.8L SOHC
>>
Repair and Diagnosis
>>
Diagrams
>>
Exploded Views
>>
Ignition System
>>
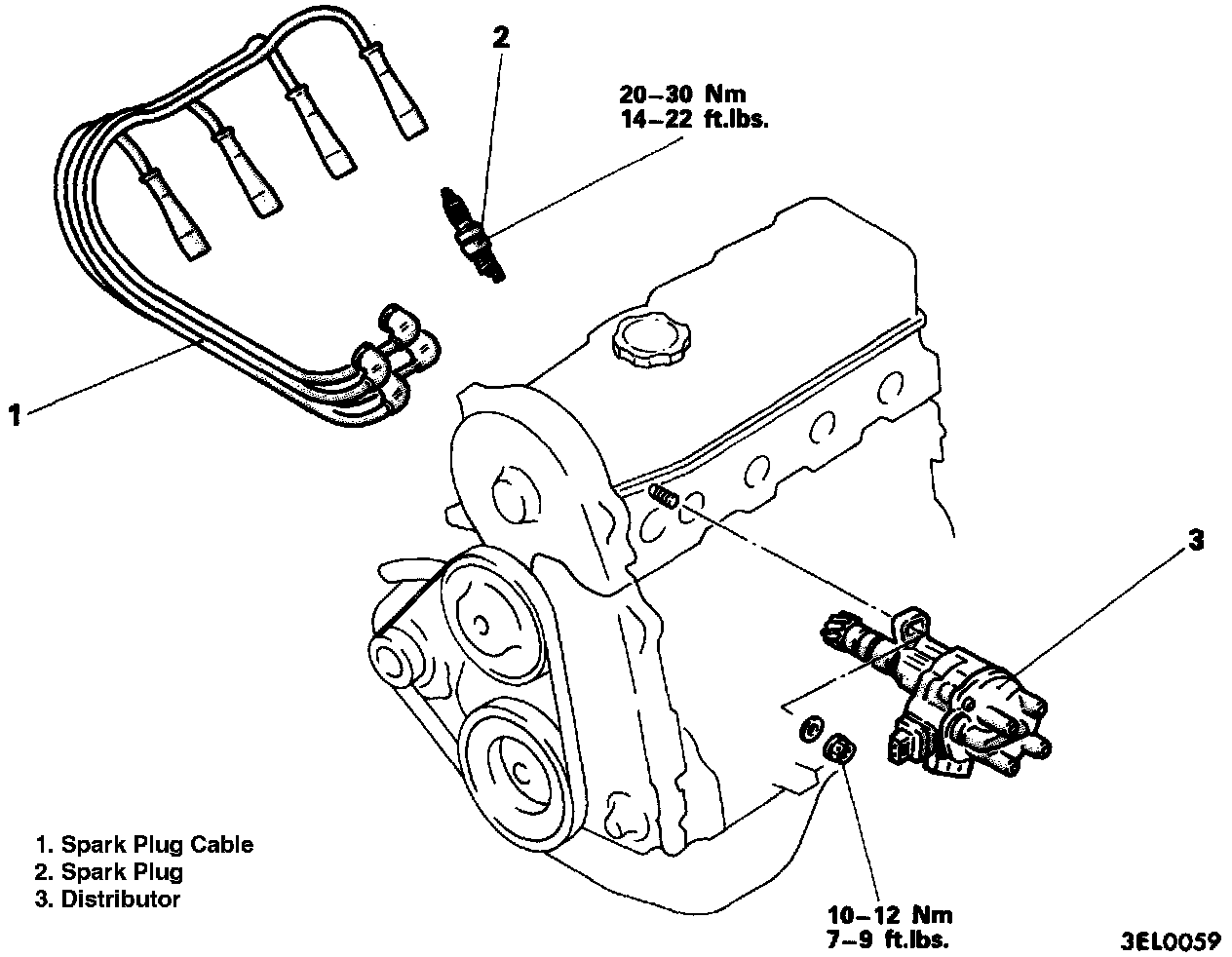
System Diagram
System Diagram
Ignition System Removal And Installation: