FREE REPAIR MANUALS & LABOR GUIDES 1982-2013 Vehicles
Courtesy of Operation CHARM: Car repair manuals for everyone.

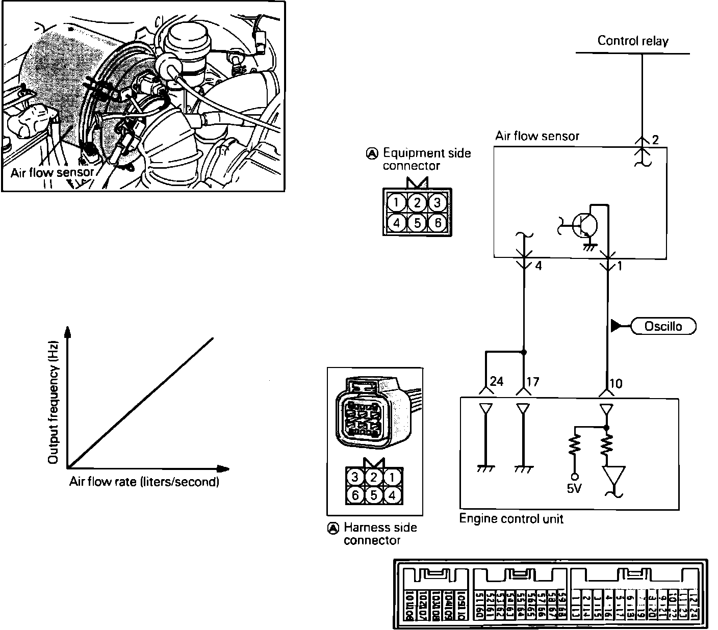
Air Flow Meter/Sensor: Description and Operation

Air Flow Sensor Circuit:






PURPOSE

The Air Flow Sensor (AFS) measures the amount of air entering the intake manifold to provide the ECU with precise intake volume information. The AFS is a "Karman Vortex" type which measures the intake air volume.

LOCATION

The air flow sensor is attached to the upper air filter housing.

Volume Air Flow Sensor Operation:





OPERATION

The air flow sensor operates by means of a vortex generating column and an ultrasonic sound emitter and receiver, located in the air flow chamber. The transmitter sends sound waves across the airflow sensor chamber. The time it takes the sound to reach the receiver without any air flow is the reference time (speed).

As air enters the intake stream, it strikes a vortex generating column and creates vortices that swirl clockwise and counterclockwise. As the increasing air flow passes between the transmitter and the receiver, the sound waves are interrupted by the vortices. This causes the sound waves to speed up, and then slow down alternately.

This change is detected by the receiver and converted into a square wave signal, which is sent to the ECU in the form of the intake air volume signal. The ECU uses this intake air volume signal, in addition to several other signals, to decide the basic fuel injection duration.