FREE REPAIR MANUALS & LABOR GUIDES 1982-2013 Vehicles
Courtesy of Operation CHARM
:
Car repair manuals for everyone.
Home
>>
Plymouth
>>
1994
>>
Colt L4-1795cc 1.8L SOHC
>>
Repair and Diagnosis
>>
Diagrams
>>
Connector Views
>>
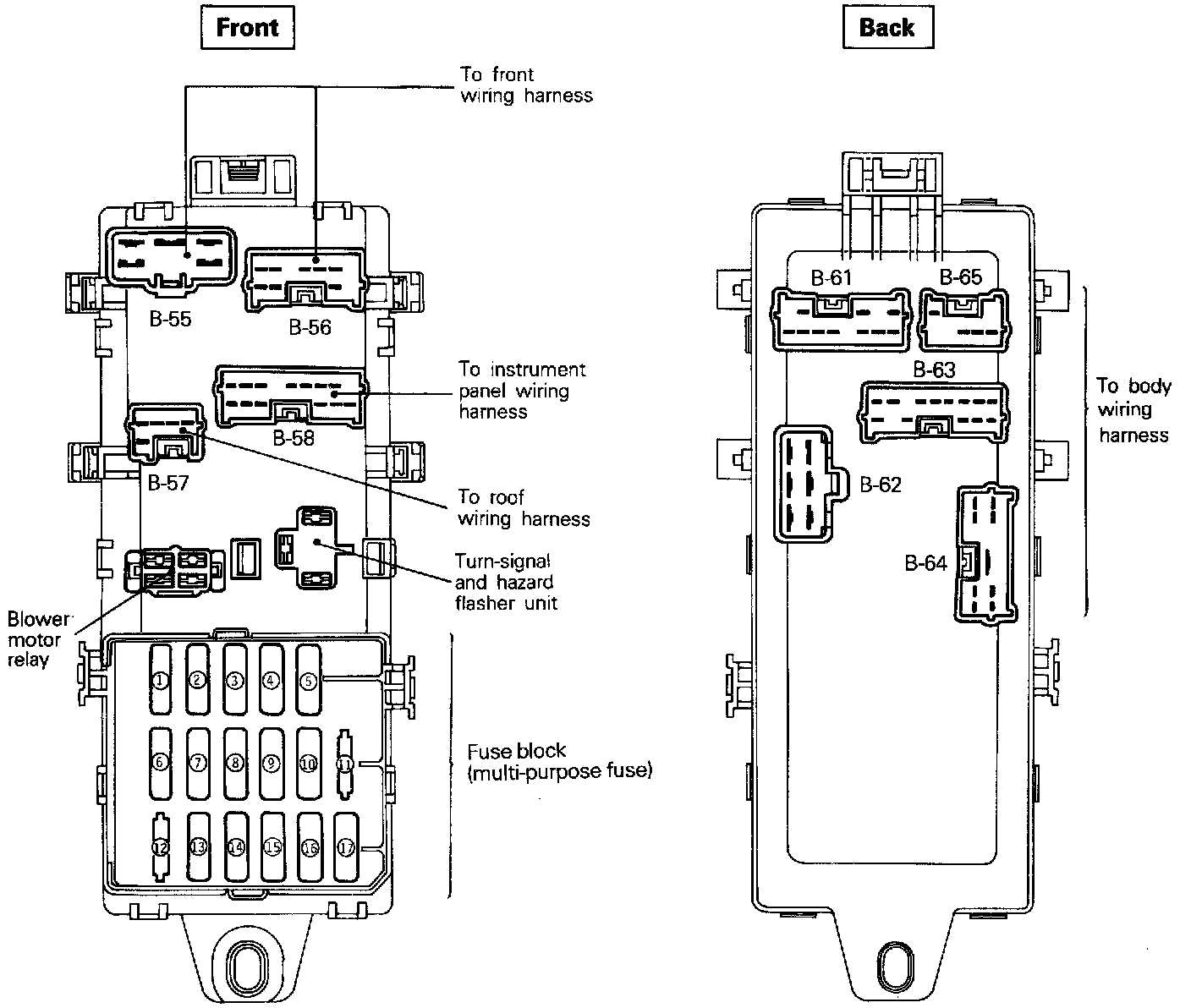
Junction Block
Junction Block
Junction Block: