FREE REPAIR MANUALS & LABOR GUIDES 1982-2013 Vehicles
Courtesy of Operation CHARM
:
Car repair manuals for everyone.
Home
>>
Oldsmobile
>>
2003
>>
Alero L4-2.2L VIN F
>>
Repair and Diagnosis
>>
Starting and Charging
>>
Power and Ground Distribution
>>
Fuse Block
>>
Locations
Fuse Block: Locations
Fuse Block:
Left Side Of Passenger Compartment:
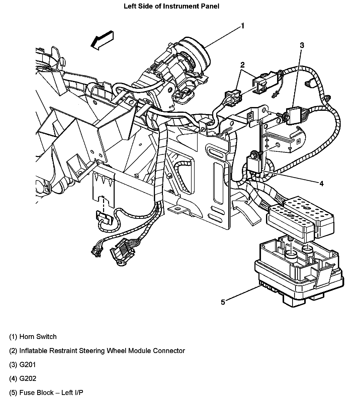
Left Side Of The Instrument Panel:
Left Side Of Instrument Panel:
IP Harness - RH: