FREE REPAIR MANUALS & LABOR GUIDES 1982-2013 Vehicles
Courtesy of Operation CHARM: Car repair manuals for everyone.

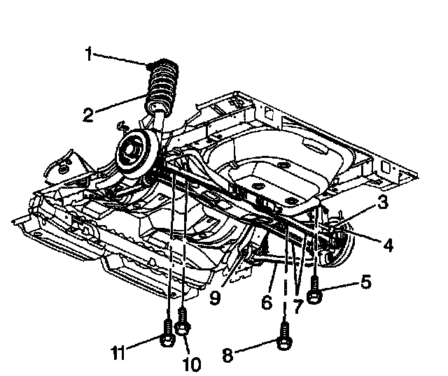
Support Replacement

Support Replacement

Removal Procedure





1. Raise the vehicle and suitably support the vehicle. Refer to Vehicle Lifting.
2. Remove the tire and the wheel.
3. Remove the parking brake cables from the suspension support (1).
4. Remove the stabilizer shaft from the support (1).
5. Disconnect the electrical connections from the wheel speed sensors.
6. Remove the ABS electrical harness from the lateral links.
7. Remove the lateral links.
8. Remove the bolt from the vapor canister.
9. Remove the wheel speed sensor wiring harness from the rear support.





Important: Support the rear suspension support with jack stands before removing the mounting bolts.

10. Remove the rear suspension mounting bolts (5,8, 1O, 11).
11. Remove the rear suspension support.

Installation Procedure





1. Position the rear suspension support on the vehicle.

Notice: Refer to Fastener Notice in Service Precautions.

2. Install the rear suspension support mounting bolts (5, 8, 10, 11).
^ Tighten the suspension support mounting bolts to 120 Nm (89 ft. lbs.).
3. Install the wheel speed sensor wiring harness to the rear support.
4. Install the bolt to the vapor canister.
5. Install the lateral links.
6. Install the ABS electrical harness to the lateral links.
7. Connect the electrical connectors to the wheel speed sensors.
8. Install the stabilizer shaft.
9. Install the parking brake cables to the rear support.
10. Install the tire and wheel assemblies.
11. Lower the vehicle.
12. Measure the rear wheel alignment.