FREE REPAIR MANUALS & LABOR GUIDES 1982-2013 Vehicles
Courtesy of Operation CHARM: Car repair manuals for everyone.

Coolant Temperature Sensor/Switch (For Computer): Service and Repair

ENGINE COOLANT TEMPERATURE (ECT) SENSOR REPLACEMENT

REMOVAL PROCEDURE

NOTE: Use care when handling the coolant sensor. Damage to the coolant sensor will affect the operation of the fuel control system.




1. Partially drain the cooling system. Refer to Draining and Filling Cooling System in Cooling System.
2. Remove the exhaust gas recirculation (EGR) inlet pipe.
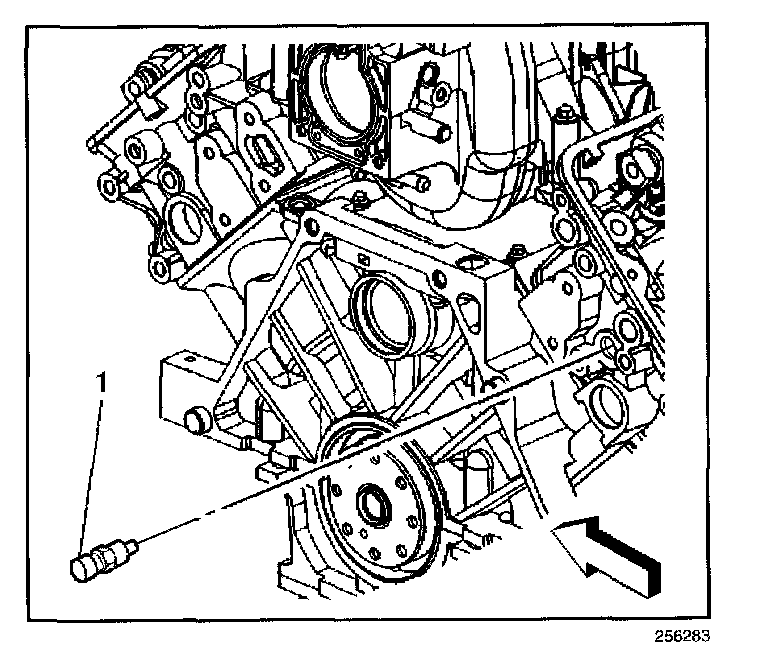
3. Disconnect the ECT sensor (1).
4. Remove the ECT sensor.

INSTALLATION PROCEDURE

NOTE:
^ Use care when handling the coolant sensor. Damage to the coolant sensor will affect the operation of the fuel control system.
^ Replacement components must be the correct part number for the application. Components requiring the use of the thread locking compound, lubricants, corrosion inhibitors, or sealants are identified in the service procedure. Some replacement components may come with these coatings already applied. Do not use these coatings on components unless specified. These coatings can affect the final torque, which may affect the operation of the component. Use the correct torque specification when installing components in order to avoid damage.




1. Coat the sensor threads with sealer GM P/N 12346004, (Canadian P/N 10953480) or equivalent.

NOTE: Refer to Fastener Notice in Service Precautions.

2. Install the ECT sensor (1).

Tighten
Tighten the sensor to 20 N.m (15 lb ft).

3. Connect the ECT sensor electrical connector.
4. Install the EGR inlet pipe.
5. Fill the cooling system. Refer to Draining and Filling Cooling System in Cooling System.