Cruise Control Module: Service and Repair
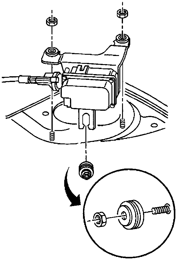
REMOVAL PROCEDUREIMPORTANT: The cruise control module is mounted to the left strut tower. Service the cruise control module as a complete unit.
1. Remove the cruise control cable from the cruise control module.
2. Disconnect the electrical connector from the cruise control module.
3. Remove the cruise control module to the shock tower nuts.
INSTALLATION PROCEDURE
1. Install the cruise control module on the mounting studs.
NOTE: Refer to Fastener Notice in Service Precautions.
2. Install the cruise control module to the shock tower nuts.
Tighten
Tighten the cruise control module to the shock tower nuts to 2 N.m (18 lb in).
3. Connect the electrical connector to the cruise control module.
IMPORTANT: The cruise control cable does not require mechanical adjusting after the replacement. The cruise control module internally adjusts the cable.
4. Install the cruise control cable to the cruise control module.