FREE REPAIR MANUALS & LABOR GUIDES 1982-2013 Vehicles
Courtesy of Operation CHARM: Car repair manuals for everyone.

Trim Height Inspection

Trim Height Inspection Procedure

Trim Height Measurements
Trim height is a predetermined measurement relating to vehicle ride height. Incorrect trim heights can cause bottoming out over bumps, damage to the suspension components and symptoms similar to wheel alignment problems. Check the trim heights when diagnosing suspension concerns and before checking the wheel alignment.
Perform the following before measuring the trim heights:
1. Set the tire pressures to the pressure shown on the certification label.
2. Check the fuel level. Add additional weight if necessary to simulate a full tank.
3. Make sure the rear compartment is empty except for the spare tire.
4. Make sure the vehicle is on a level surface, such as an alignment rack.
5. Close the doors.
6. Close the hood.
7. All dimensions are measured vertical to the ground. Trim heights should be within - 10 mm to +10 mm to be considered correct.

Z Height Measurement





The Z height dimension measurement determines the proper ride height for the front end of the vehicle.
There is no adjustment procedure. Repair may require replacement of suspension components.
1. Lift the front bumper of the vehicle up about 38 mm (1.5 inch).
2. Gently remove your hands. Let the vehicle settle.
3. Repeat this operation for a total of 3 times.
4. Measure from the bottom surface of the cradle, in line with the ball joint, of the lower ball joint in order to obtain the Z height measurement.
5. Push the front bumper of the vehicle down about 38 mm (1.5 inch).
6. Gently remove your hands.
7. Allow the vehicle to settle into position.
8. Repeat the jouncing operation 2 more times for a total of 3 times.
9. Measure the Z dimension.
10. The true Z height dimension number is the average of the high and the low measurements.

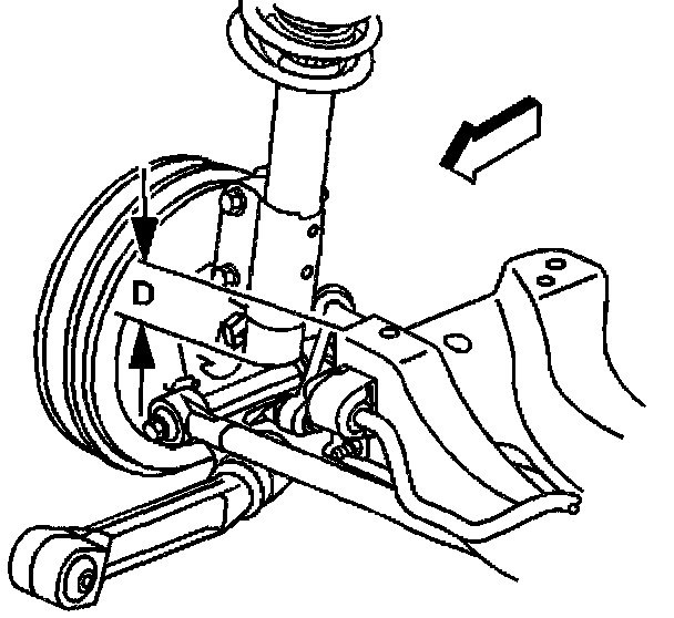
D Height Measurement





The D height dimension measurement determines the proper rear end ride height. There is no adjustment procedure. Repair may require replacement of suspension components.
1. With the vehicle on a flat surface, lift upward on the rear bumper 38 mm (1.5 inch).
2. Gently remove your hands.
Allow the vehicle to settle into position.
3. Repeat the jouncing operation 2 more times for a total of 3 times.
4. Measure the D height by measuring the bottom of the strut to the support surface forward of the mounting bolt.
5. Push the rear bumper downward to 38 mm (1.5 inch).
6. Gently remove your hands.
Allow the vehicle to settle into position.
7. Repeat the jouncing operation 2 more times for a total of 3 times.
8. Measure the D height dimension.
9. The true D height dimension number is the average of the high and the low measurements.
10. If these measurements are out of specifications, inspect for the following conditions:
^ Improper weight distribution
^ Collision damage
^ Worn or damaged suspension components