FREE REPAIR MANUALS & LABOR GUIDES 1982-2013 Vehicles
Courtesy of Operation CHARM: Car repair manuals for everyone.

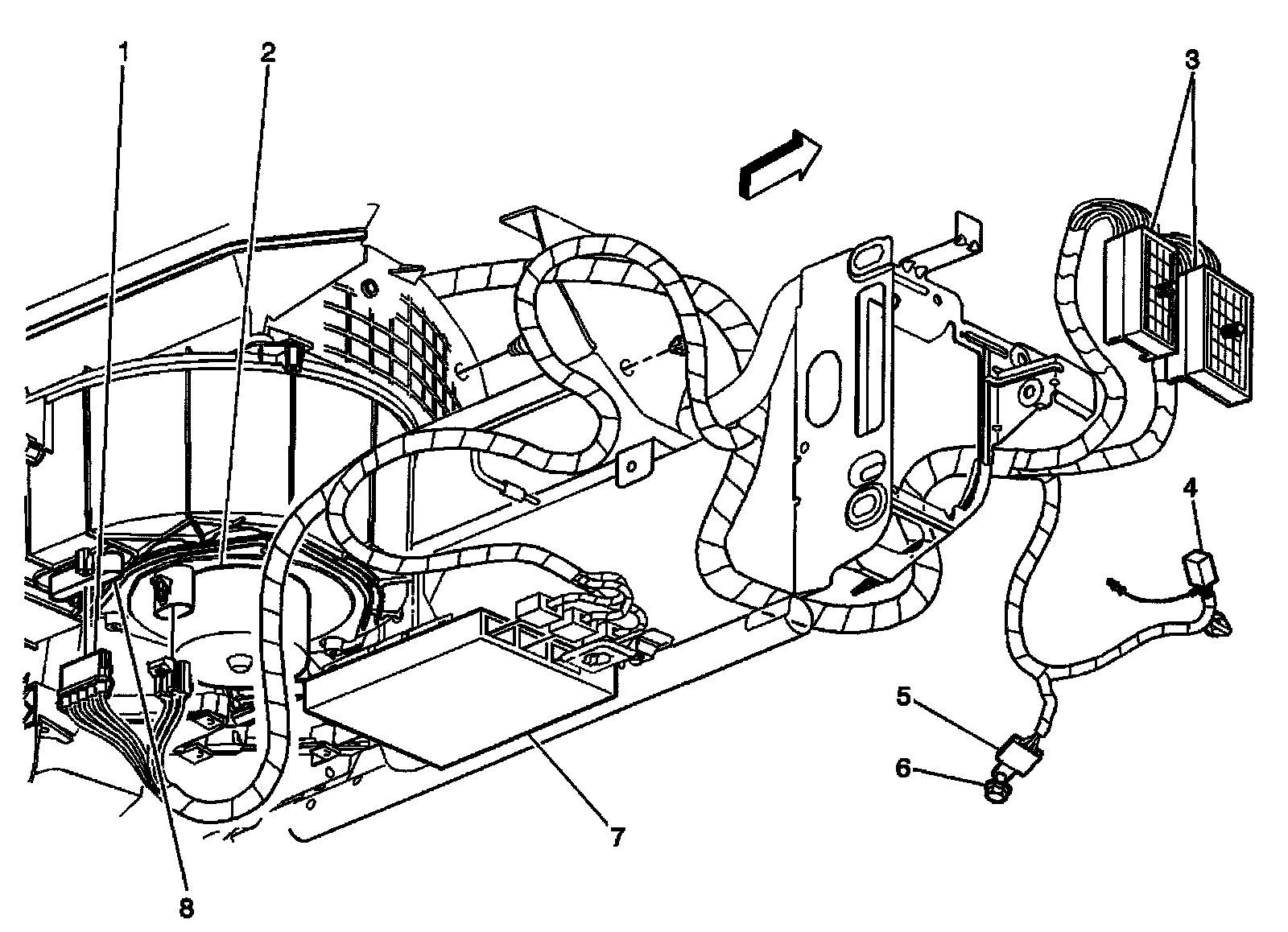
Body Control Module: Locations



Instrument Panel Harness- RH:






1. Blower Motor Resistor Assembly Connector
2. Blower Motor
3. Fuse Block - Right I/P, C1 and C2
4. Inflatable Restraint I/P Module Connector
5. Splice Pack, SP203
6. G203
7. Body Control Module (BCM)
8. Blower Motor Resistor Assembly.