Knock Sensor: Service and Repair
REMOVAL PROCEDURE BANK 1CAUTION:
^ Hot engine coolant may cause severe burns. Although the cooling system has been drained, coolant still remains in the engine water jacket. This coolant will drain with the removal of the knock sensor.
^ Refer to Battery Disconnect Caution in Service Precautions.
^ Refer to Hoist Caution in Service Precautions.
1. Disconnect the negative battery cable.
Drain the cooling system. Refer to Draining and Filling Cooling System in Cooling and Radiator.
2. Disconnect the knock sensor wiring harness connector from the knock sensor.
3. Remove the knock sensor (2) from the engine block (1).
INSTALLATION PROCEDURE BANK 1
NOTE: Refer to Fastener Notice in Service Precautions.
IMPORTANT: Do not apply thread sealant to sensor threads. The sensor is coated at factory and applying additional sealant will affect the sensor's ability to detect detonation.
1. Install the knock sensor (2) into the engine block (1).
Tighten
Tighten the knock sensor to 19 N.m (14 lb ft).
2. Connect the knock sensor electrical connector (2) to the knock sensor (1).
3. Lower the vehicle.
4. Fill the cooling system. Refer to Draining and Filling Cooling System.
5. Connect the negative battery cable.
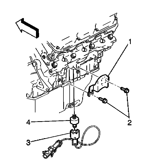
INSTALLATION PROCEDURE BANK 2
NOTE: Refer to Fastener Notice in Service Precautions.
IMPORTANT: Do not apply thread sealant to sensor threads. The sensor is coated at factory and applying additional sealant will affect the sensor's ability to detect detonation.
1. Install the knock sensor (4) into the engine block.
Tighten
Tighten the knock sensor to 19 N.m (14 lb ft).
2. Install the knock sensor heat shield.
Tighten
Tighten the bolts to 60 N.m (44 lb ft).
3. Connect the knock sensor electrical connector (3) to the knock sensor (4).
4. Install the splash shield.
5. Lower the vehicle.
6. Fill the cooling system. Refer to Draining and Filling Cooling System.
7. Connect the negative battery cable.