FREE REPAIR MANUALS & LABOR GUIDES 1982-2013 Vehicles
Courtesy of Operation CHARM
:
Car repair manuals for everyone.
Home
>>
Oldsmobile
>>
1999
>>
Cutlass V6-3.1L VIN J
>>
Repair and Diagnosis
>>
Cruise Control
>>
Diagrams
>>
Electrical Diagrams
>>
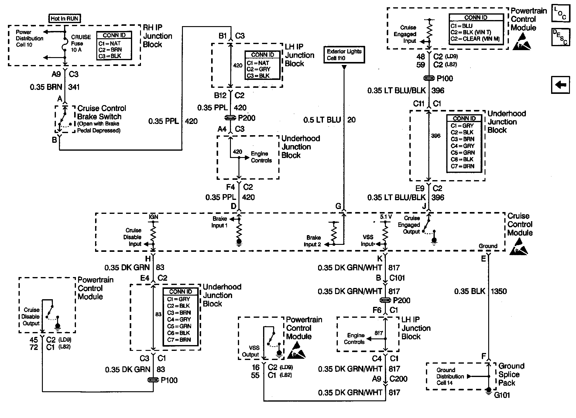
Cruise Control Brake Switch And Powertrain Control Module
Cruise Control Brake Switch And Powertrain Control Module
Cruise Control Schematics: Cruise Control Brake Switch And Powertrain Control Module: