FREE REPAIR MANUALS & LABOR GUIDES 1982-2013 Vehicles
Courtesy of Operation CHARM
:
Car repair manuals for everyone.
Home
>>
Oldsmobile
>>
1998
>>
Intrigue V6-3.8L VIN K
>>
Repair and Diagnosis
>>
Restraints and Safety Systems
>>
Air Bag Systems
>>
Air Bag Control Module
>>
Service and Repair
>>
First Repair
First Repair
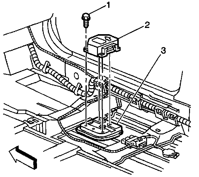
1.
Remove the stripped fastener and discard it.
Notice
: Refer to Fastener Notice in Cautions and Notices.
2.
Install the SDM with new fastener GM P/N 10156138.
Tighten
Tighten fastener to
10 N.m (89 lb in)
.