FREE REPAIR MANUALS & LABOR GUIDES 1982-2013 Vehicles
Courtesy of Operation CHARM
:
Car repair manuals for everyone.
Home
>>
Oldsmobile
>>
1998
>>
Intrigue V6-3.8L VIN K
>>
Repair and Diagnosis
>>
Relays and Modules
>>
Relays and Modules - HVAC
>>
Control Module HVAC
>>
Locations
>>
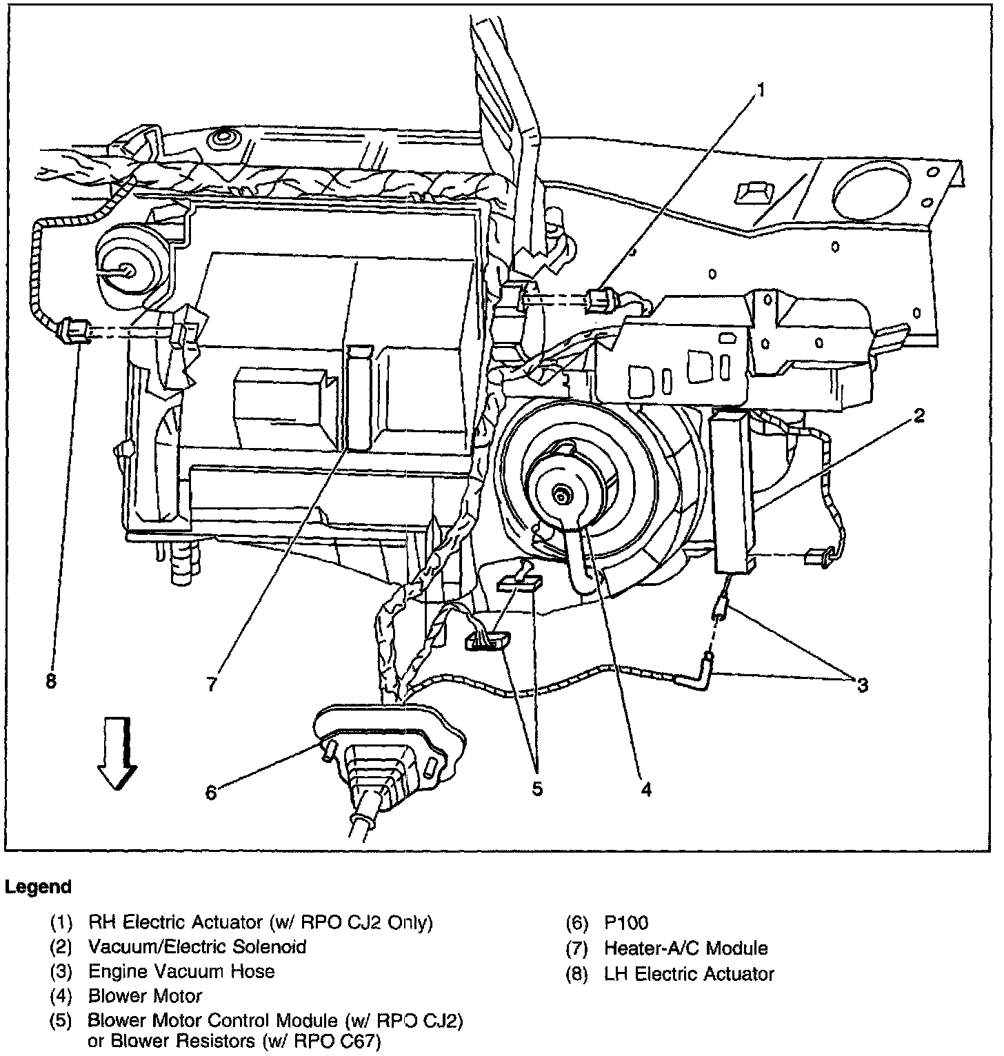
Blower Control Module
Blower Control Module
Behind right side of the IP, in the right side of the heater-A/C module