FREE REPAIR MANUALS & LABOR GUIDES 1982-2013 Vehicles
Courtesy of Operation CHARM: Car repair manuals for everyone.

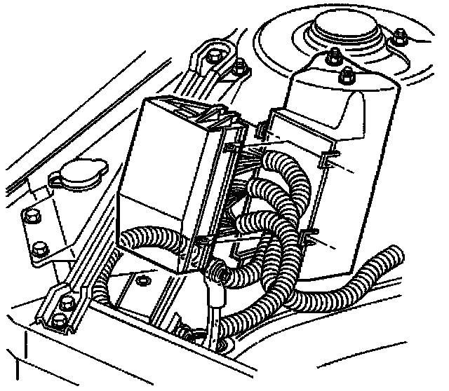
Multiple Junction Connector: Service and Repair

REMOVAL PROCEDURE

Junction Block Replacement: Accessory Wiring - Removal Procedure:




1. Disconnect the negative battery cable.
2. Remove the battery positive cable from the top of the underhood accessory wiring junction block.
3. Remove the top cover of the underhood accessory wiring junction block by unscrewing the center knob if you access the fuses.

Junction Block Replacement: Accessory Wiring - Removal Procedure:




4. Unsnap the retainer tabs in order to remove the junction block from the junction block bracket.

Junction Block Replacement: Accessory Wiring - Removal Procedure:




5. Disconnect the three instrument panel wiring harness connectors,
6. Loosen the bolts from the three connectors.

Junction Block Replacement: Accessory Wiring - Removal Procedure:




7. Disconnect the engine wiring harness.

Junction Block Replacement: Accessory Wiring - Removal Procedure:




8. Disconnect the instrument panel wiring harness.

Junction Block Replacement: Accessory Wiring - Removal Procedure:




9. Disconnect the forward lamp wiring harness.
10. Position all harnesses away from the junction block bracket.
11. Release the positive battery cable from the junction block bracket retainers.

Junction Block Replacement: Accessory Wiring - Removal Procedure:




12. Remove the accessory wiring junction block nut.
13. Lift the junction block bracket up and out from the tab on the shock tower if necessary.

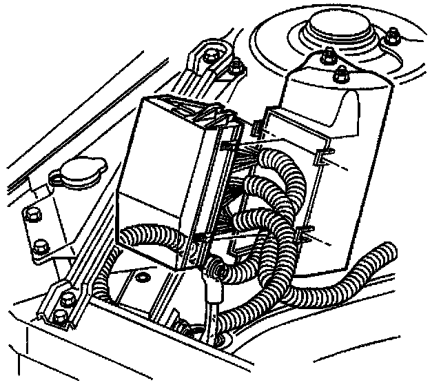
INSTALLATION PROCEDURE

Junction Block Replacement: Accessory Wiring - Installation Procedure:




1. Insert the lower tab of the bracket into the shock tower slot, if necessary.
2. Insert the top of the bracket over the stud on the shock tower.
3. Install the accessory wiring junction block nut.

Tighten
Tighten the accessory wiring junction block nut to 3 N.m (27 lb in).

4. Position the positive battery cable to the junction block bracket and secure using the retainers.

Junction Block Replacement: Accessory Wiring - Installation Procedure:




5. Connect the forward lamp wiring harness.

Junction Block Replacement: Accessory Wiring - Installation Procedure:




6. Connect the instrument panel wiring harness.

Junction Block Replacement: Accessory Wiring - Installation Procedure:




7. Connect the engine wiring harness.
8. Tighten the wiring harness connector bolts to the three connectors.

Tighten
Tighten the wiring harness connector bolts to 7 N.m (62 lb in).


Junction Block Replacement: Accessory Wiring - Installation Procedure:




9. Connect the three instrument panel wiring harness connectors.

Junction Block Replacement: Accessory Wiring - Installation Procedure:




10. Position the junction block into the junction block bracket.
11. Snap the junction block to the bracket.
12. Replace the top cover and tighten using the center knob it fuses were accessed.
13. Install the battery positive cable to the top of the underhood accessory wiring junction block.
14. Install the negative battery cable.