Cruise Control Module: Service and Repair
REMOVAL PROCEDURECruise Control Module Replacement: Removal Procedure:
1. Disconnect the negative battery cable.
IMPORTANT: The cruise control module is mounted to the left strut tower. Service the cruise control module as a complete unit.
2. Remove the cruise control cable from the cruise control module. Perform the following:
2.1. Rotate the cruise control cable fitting counterclockwise at the module.
2.2. Gently pull the cruise control cable out from the module.
2.3. Remove the cruise control cable bead from the cruise control module ribbon.
3. Disconnect the electrical connector from the cruise control module.
Cruise Control Module Replacement: Removal Procedure:
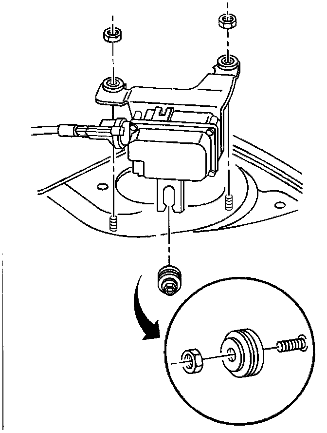
4. Remove the cruise control module nuts.
5. Remove the cruise control module from the shock tower studs.
INSTALLATION PROCEDURE
Cruise Control Module Replacement: Installation Procedure:
1. Install the new cruise control module onto the shock tower studs.
2. Install the cruise control module nuts.
Tighten
Tighten the cruise control module nuts to 2 N.m (18 lb in).
Cruise Control Module Replacement: Installation Procedure:
3. Connect the electrical connector to the cruise control module.
IMPORTANT: Ensure the cruise control module ribbon is not twisted during installation of the cruise control cable. DO NOT pull ribbon out of module.
4. Install the cruise control cable to the new cruise control module. Perform the following:
4.1. Install the cruise control cable bead to the new cruise control module ribbon.
4.2. Pull the cruise control cable at the engine end fitting, through the conduit until cable is taut.
4.3. Slide the cruise control cable conduit fitting over the ribbon.
4.4. Rotate the cruise control cable fitting clockwise.
5. Adjust the cruise control cable, if necessary. Refer to Cruise Control Cable Adjustment. Cruise Control Cable Adjustment
6. Connect the negative battery cable.