FREE REPAIR MANUALS & LABOR GUIDES 1982-2013 Vehicles
Courtesy of Operation CHARM: Car repair manuals for everyone.

Cruise Release Switch Replacement

REMOVAL PROCEDURE

Cruise Release Switch Replacement: Removal Procedure:




1. Disconnect the negative battery cable.
2. Remove the left side instrument panel insulator.
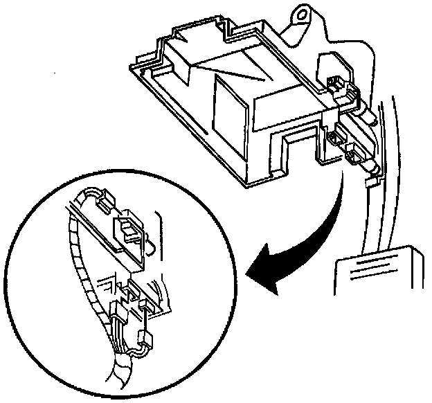
3. Disconnect the cruise control release switch electrical connector.
4. Remove the cruise release switch from the brake pedal bracket.

INSTALLATION PROCEDURE

Cruise Release Switch Replacement: Installation Procedure:




1. Install the cruise control release switch to the brake pedal bracket.
2. Connect the cruise control release switch electrical connector.
3. Adjust the cruise control release switch.
4. Install the left side instrument panel insulator.
5. Connect the negative battery cable.