FREE REPAIR MANUALS & LABOR GUIDES 1982-2013 Vehicles
Courtesy of Operation CHARM
:
Car repair manuals for everyone.
Home
>>
Oldsmobile
>>
1996
>>
Ninety-Eight V6-3.8L VIN K
>>
Repair and Diagnosis
>>
Powertrain Management
>>
Computers and Control Systems
>>
Manifold Pressure/Vacuum Sensor
>>
Locations
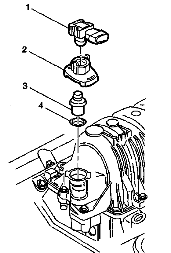
Manifold Pressure/Vacuum Sensor: Locations
The MAP sensor (1) is mounted to the PCV valve (2) cover.