FREE REPAIR MANUALS & LABOR GUIDES 1982-2013 Vehicles
Courtesy of Operation CHARM: Car repair manuals for everyone.

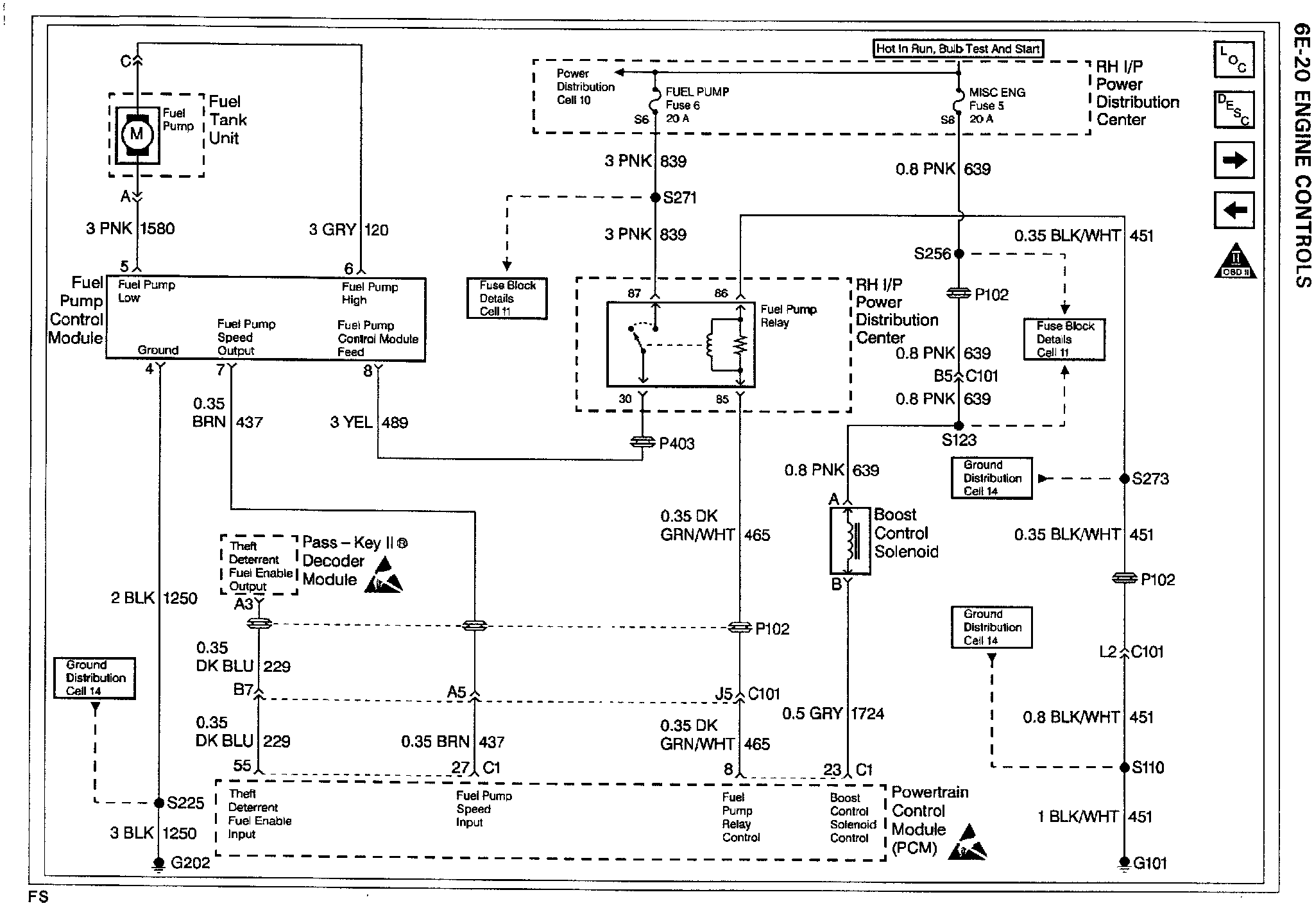
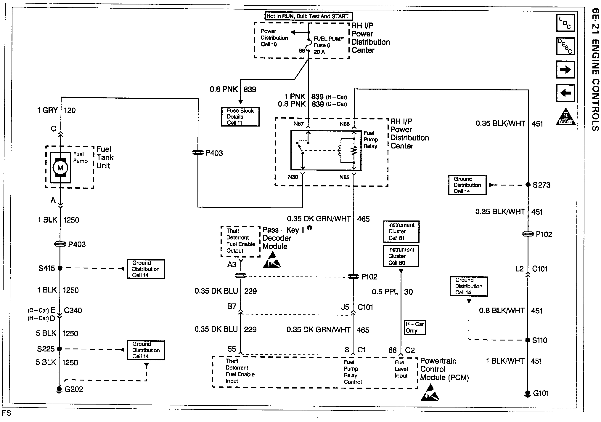
Engine Controls - Revised Schematics/Component Locations

File In Section: 6E - Engine Fuel & Emission

Bulletin No.: 73-65-25

Date: August, 1997

SERVICE MANUAL UPDATE

Subject:
Section 6E - Revised Schematics and Component Location Table

Models:
1996 Buick Le Sabre, Park Avenue
1996 Oldsmobile Eighty Eight, LSS, Ninety Eight
1996 Pontiac Bonneville

This bulletin is being issued to revise several schematics and the Component Location Table in Section 6E of the Service Manual.





The revisions are shown above:





6E-20 ENGINE CONTROLS





6E-21 ENGINE CONTROLS