FREE REPAIR MANUALS & LABOR GUIDES 1982-2013 Vehicles
Courtesy of Operation CHARM
:
Car repair manuals for everyone.
Home
>>
Oldsmobile
>>
1996
>>
Ninety-Eight V6-3.8L SC VIN 1
>>
Repair and Diagnosis
>>
Diagrams
>>
Exploded Views
>>
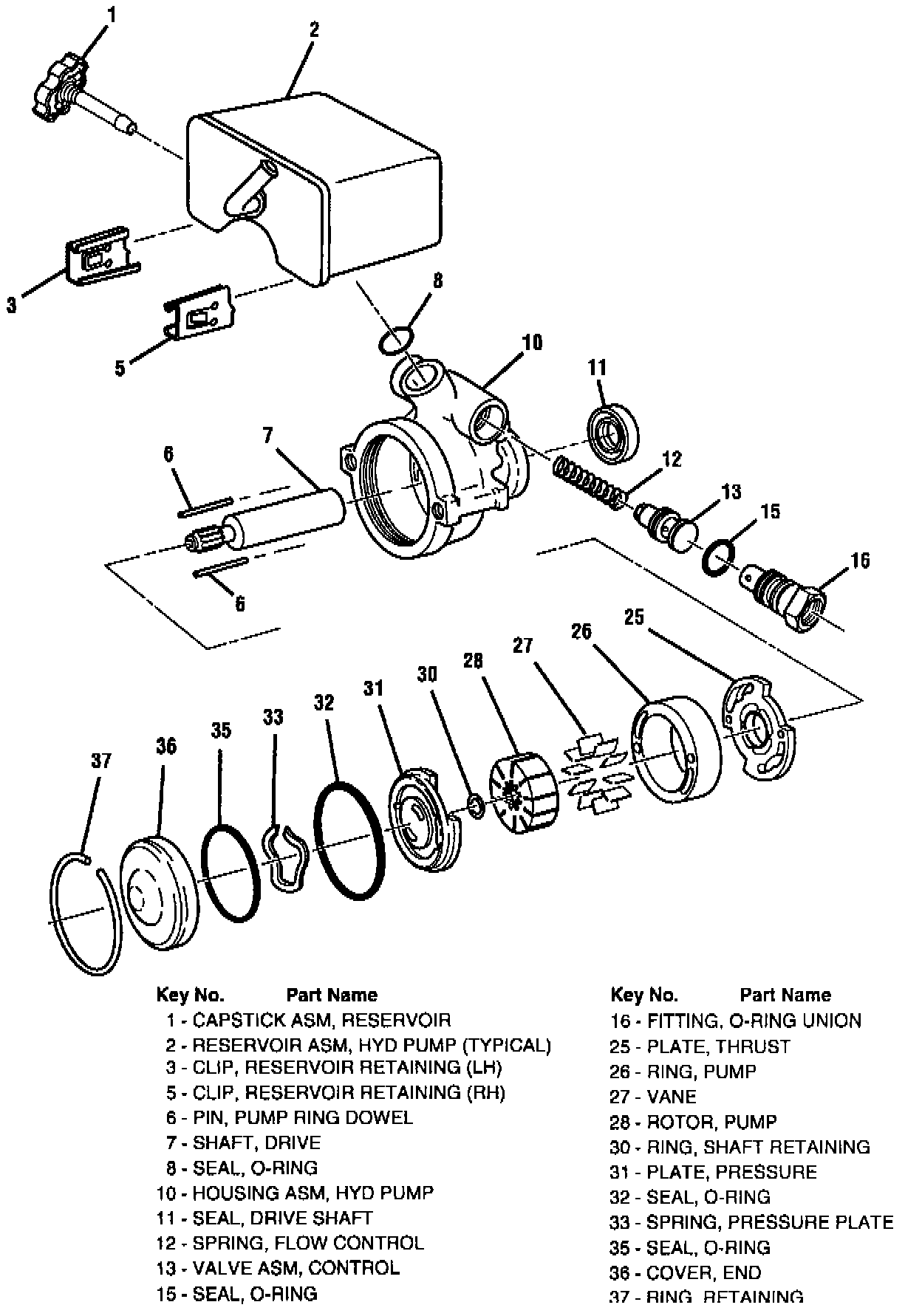
Power Steering Pump
Power Steering Pump