FREE REPAIR MANUALS & LABOR GUIDES 1982-2013 Vehicles
Courtesy of Operation CHARM
:
Car repair manuals for everyone.
Home
>>
Oldsmobile
>>
1996
>>
Ninety-Eight V6-3.8L SC VIN 1
>>
Repair and Diagnosis
>>
Diagrams
>>
Components
>>
Miscellaneous Components
>>
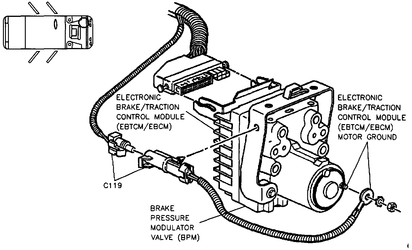
Electronic Brake/Traction Control Module (EBTCM/EBCM)Motor GND
Electronic Brake/Traction Control Module (EBTCM/EBCM)Motor GND
LH Front Of Engine Compartment, Attached To Lower Rail: