FREE REPAIR MANUALS & LABOR GUIDES 1982-2013 Vehicles
Courtesy of Operation CHARM
:
Car repair manuals for everyone.
Home
>>
Nissan-Datsun
>>
2012
>>
Altima L4-2.5L (QR25DE)
>>
Repair and Diagnosis
>>
Diagrams
>>
Electrical Diagrams
>>
Antitheft and Alarm Systems
>>
Intelligent Key System/Engine Start Function
Intelligent Key System/Engine Start Function
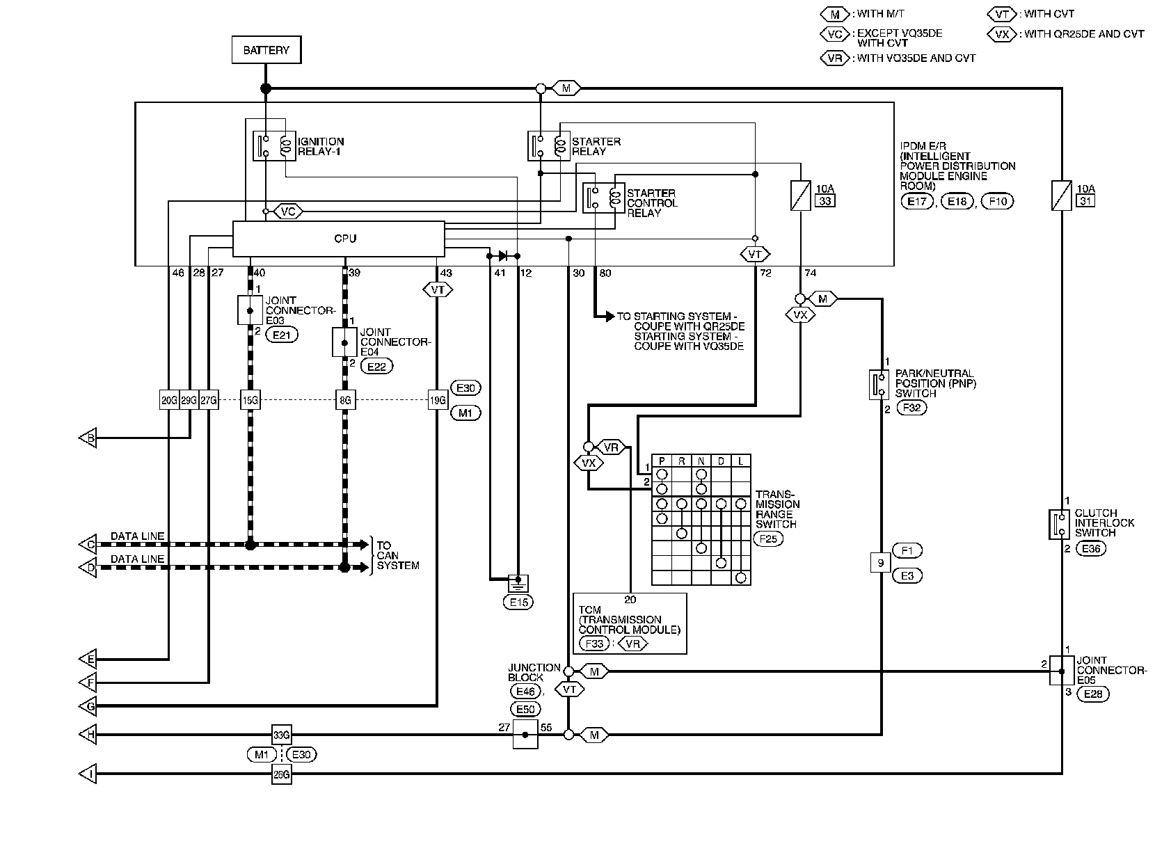
INTELLIGENT KEY SYSTEM/ENGINE START FUNCTION
Wiring Diagram - Coupe