FREE REPAIR MANUALS & LABOR GUIDES 1982-2013 Vehicles
Courtesy of Operation CHARM
:
Car repair manuals for everyone.
Home
>>
Nissan-Datsun
>>
2011
>>
Leaf ELE-Electric Engine
>>
Repair and Diagnosis
>>
Power and Ground Distribution
>>
Power Distribution Module
>>
Testing and Inspection
>>
Pinout Values and Diagnostic Parameters
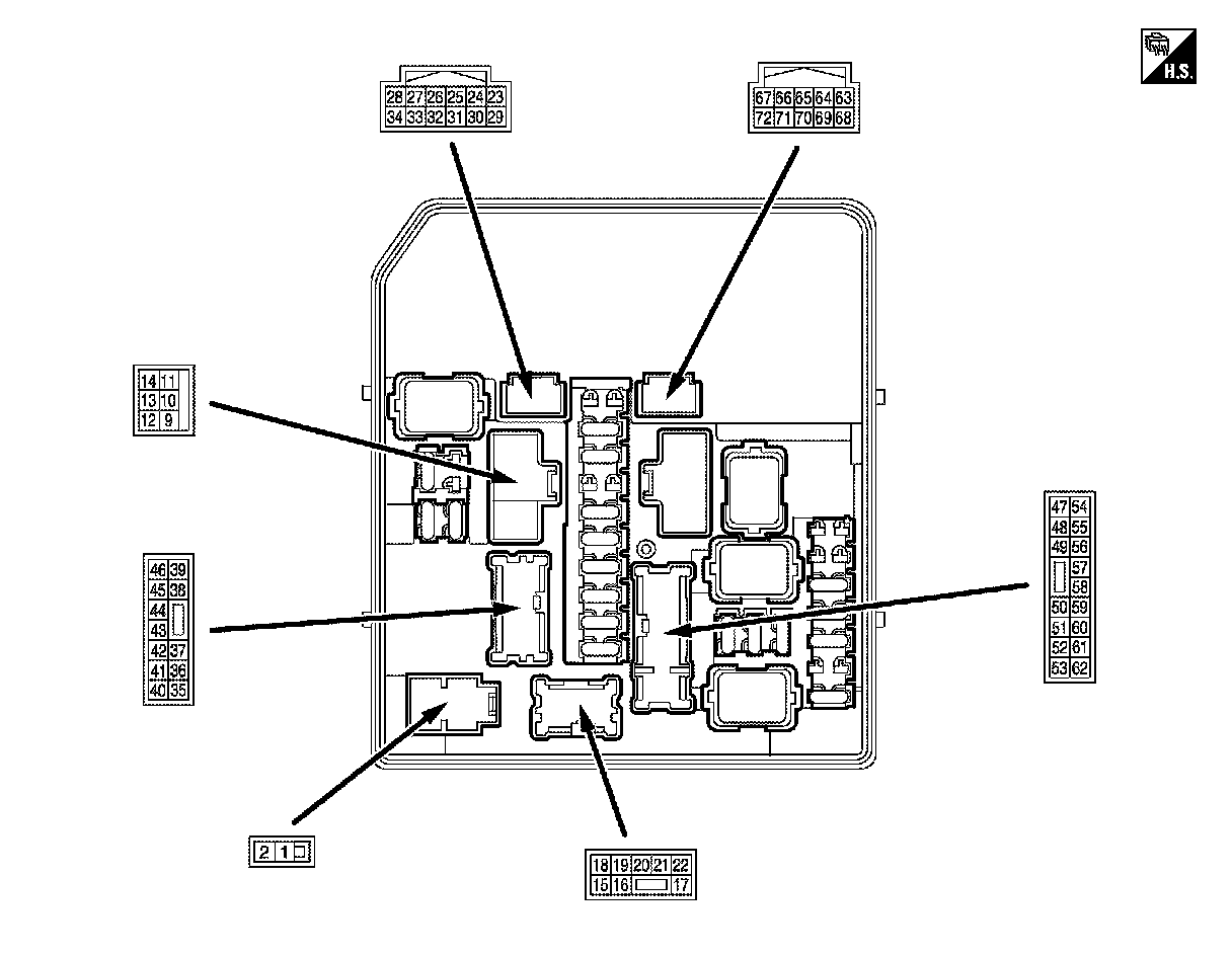
Pinout Values and Diagnostic Parameters
IPDM E/R
Reference Value
VALUES ON THE DIAGNOSIS TOOL
TERMINAL LAYOUT
PHYSICAL VALUES
*: For Canada