FREE REPAIR MANUALS & LABOR GUIDES 1982-2013 Vehicles
Courtesy of Operation CHARM
:
Car repair manuals for everyone.
Home
>>
Nissan-Datsun
>>
2011
>>
Leaf ELE-Electric Engine
>>
Repair and Diagnosis
>>
Diagrams
>>
Electrical Diagrams
>>
Electric Drive Systems
>>
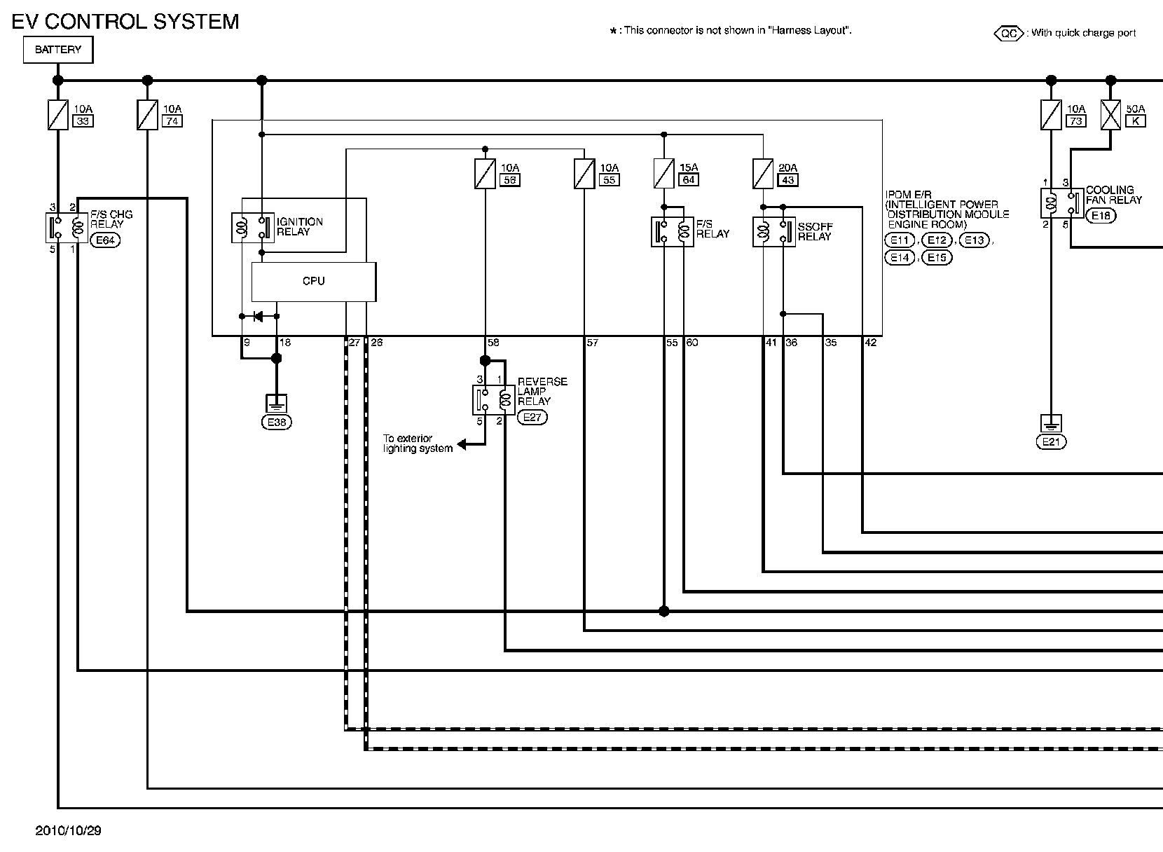
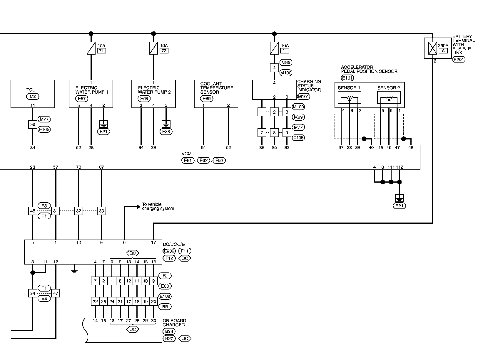
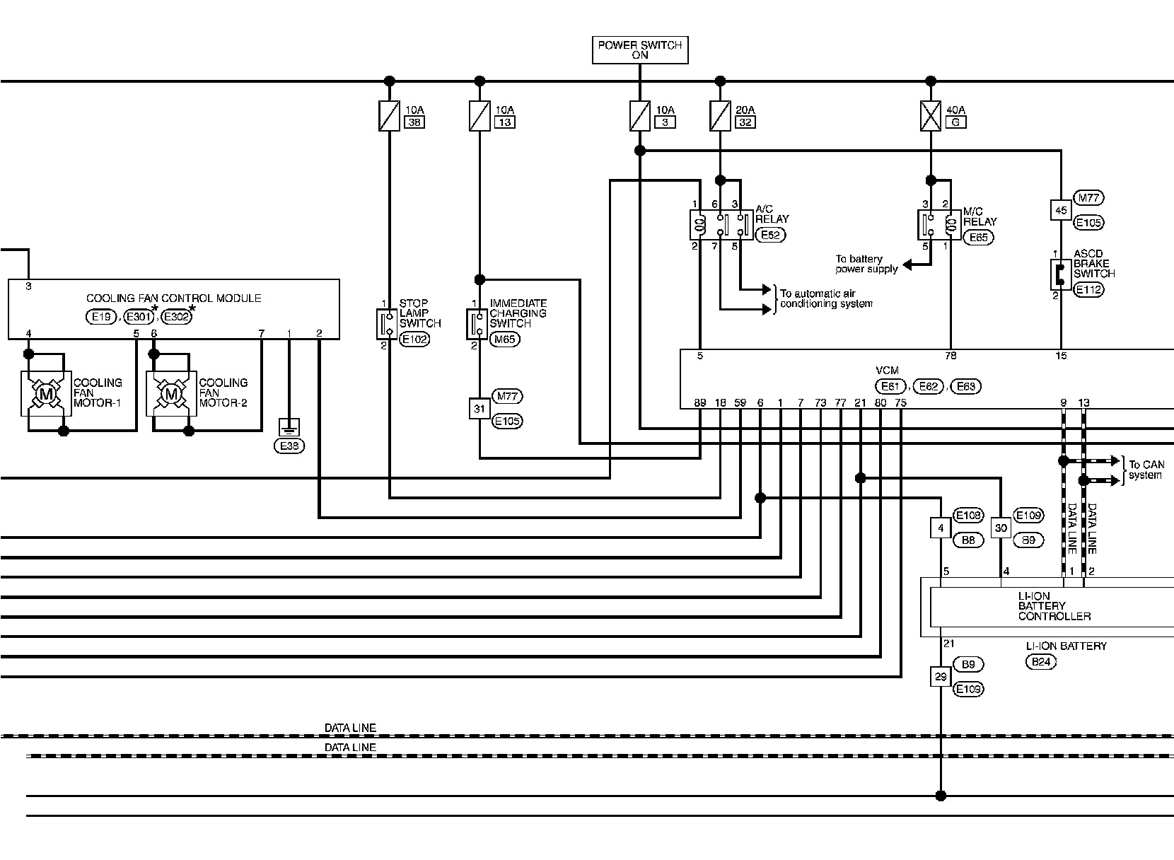
Control Module, Electric Drive System
Control Module, Electric Drive System
VCM
Wiring Diagram
For connector terminal arrangements, harness layouts, and alphabets in a(option abbreviation; if not described in wiring diagram), refer to "Connector Information"
Connector Information
.