FREE REPAIR MANUALS & LABOR GUIDES 1982-2013 Vehicles
Courtesy of Operation CHARM
:
Car repair manuals for everyone.
Home
>>
Mitsubishi
>>
2001
>>
Eclipse Spyder GT V6-3.0L SOHC
>>
Repair and Diagnosis
>>
Specifications
>>
Mechanical Specifications
>>
Automatic Transmission/Transaxle
>>
System Specifications
>>
Service Specifications
Service Specifications
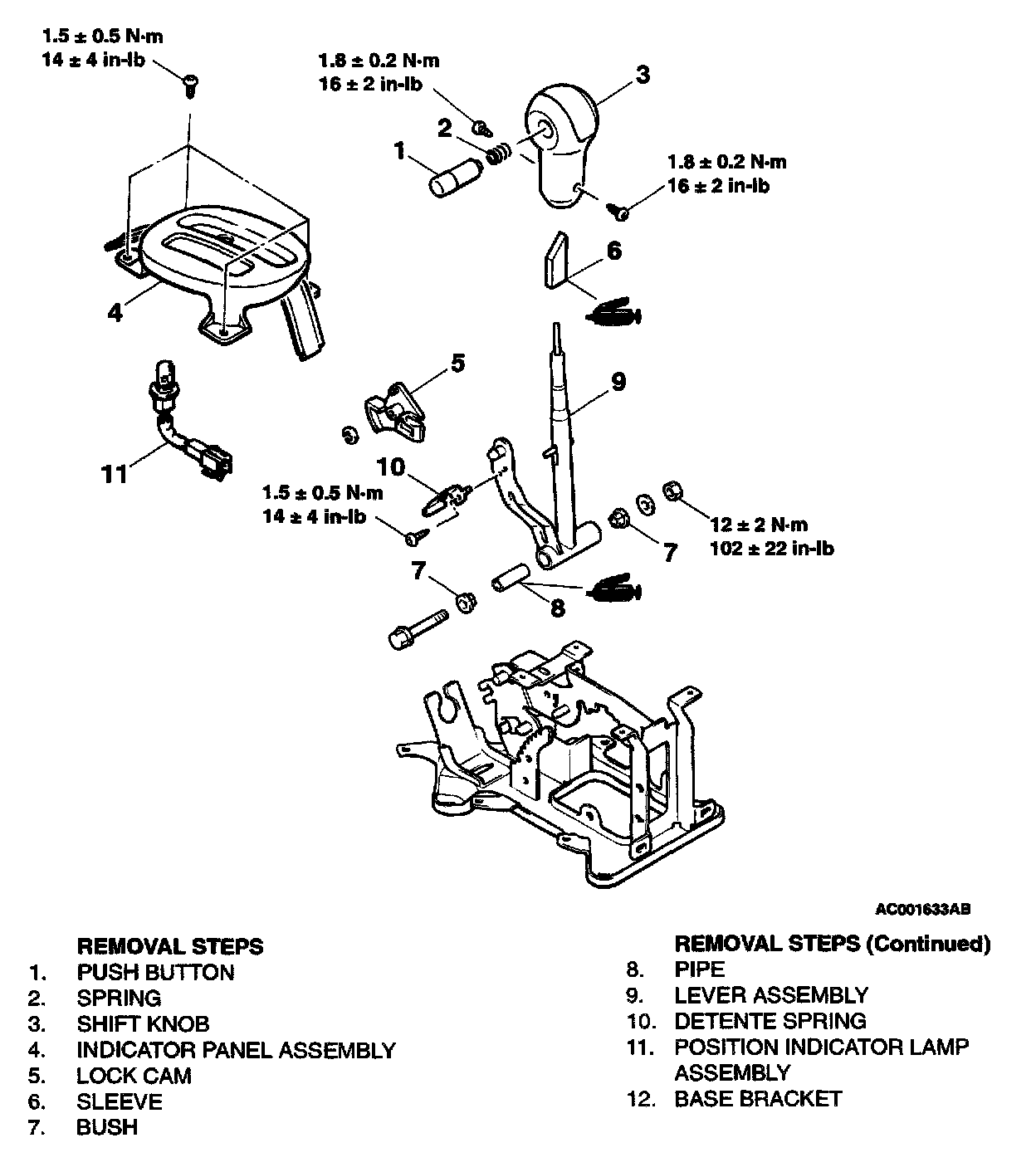
TRANSAXLE CONTROL
Removal And Installation
Disassembly And Reassembly
A/T KEY INTERLOCK AND SHIFT LOCK MECHANISMS
TRANSAXLE ASSEMBLY
GENERAL SPECIFICATIONS
FASTENER TIGHTENING SPECIFICATIONS
SERVICE SPECIFICATIONS