FREE REPAIR MANUALS & LABOR GUIDES 1982-2013 Vehicles
Courtesy of Operation CHARM
:
Car repair manuals for everyone.
Home
>>
Mazda
>>
2011
>>
Mazdaspeed3 L4-2.3L Turbo
>>
Repair and Diagnosis
>>
Powertrain Management
>>
Description and Operation
Powertrain Management: Description and Operation
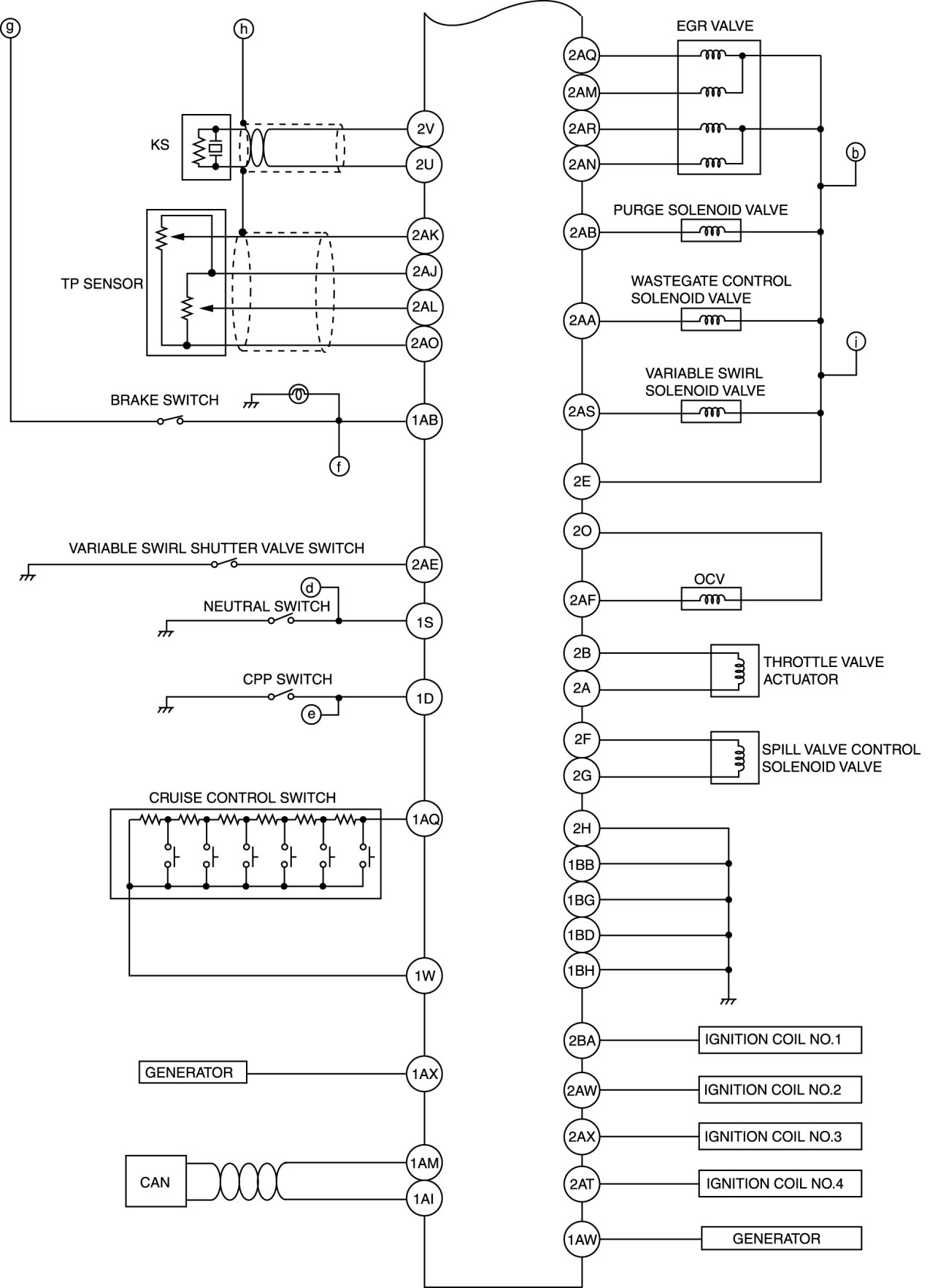
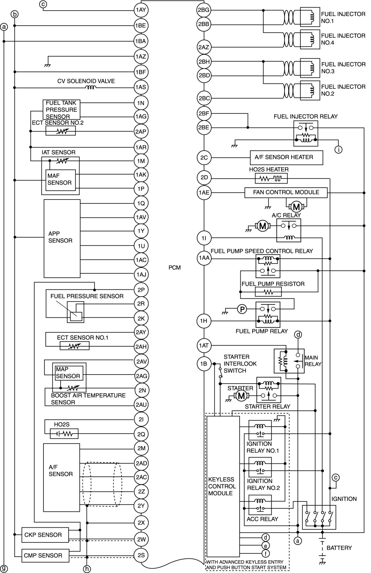
CONTROL SYSTEM WIRING DIAGRAM [L3 WITH TC]