FREE REPAIR MANUALS & LABOR GUIDES 1982-2013 Vehicles
Courtesy of Operation CHARM: Car repair manuals for everyone.

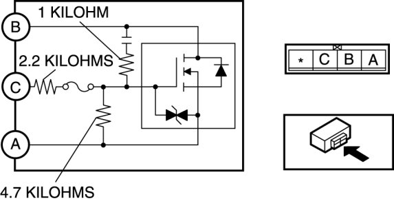
Power Transistor HVAC: Testing and Inspection




POWER METAL OXIDE SEMICONDUCTOR FIELD EFFECT TRANSISTOR (POWER MOS FET) INSPECTION

1. Verify that the continuity between the power MOS FET terminals is as indicated in the table.

- If there is any malfunction, replace the power MOS FET.
- If the blower motor operation is not normal even though no malfunction can be verified, inspect the climate control unit. Climate Control Unit Inspection [Full-Auto Air Conditioner]