FREE REPAIR MANUALS & LABOR GUIDES 1982-2013 Vehicles
Courtesy of Operation CHARM: Car repair manuals for everyone.

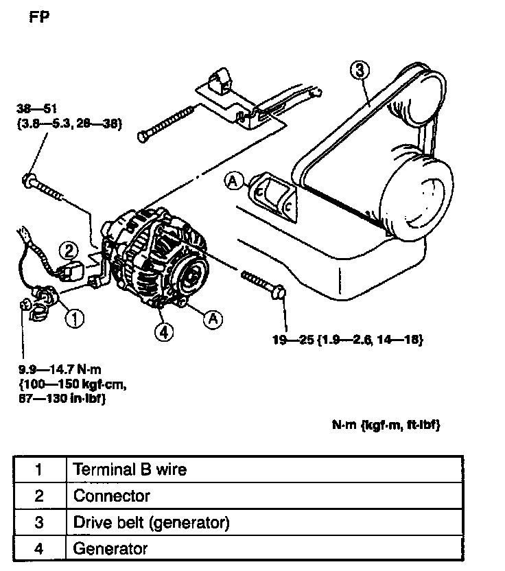
Alternator: Service and Repair

WARNING: When the battery cables are connected, touching the vehicle body with generator terminal B will generate sparks. This can cause personal injury, fire, and damage to the electrical components. Always disconnect the battery before performing the following operation.

1. Disconnect the negative battery cable.

ZM/1.6L:




FP/1.8L:




2. Remove in the order indicated in the table.
3. Install in the reverse order of removal.
4. Inspect the drive belt deflection/tension.