FREE REPAIR MANUALS & LABOR GUIDES 1982-2013 Vehicles
Courtesy of Operation CHARM
:
Car repair manuals for everyone.
Home
>>
Mazda
>>
2000
>>
Protege ES L4-1839cc 1.8L DOHC
>>
Repair and Diagnosis
>>
Diagrams
>>
Exploded Views
>>
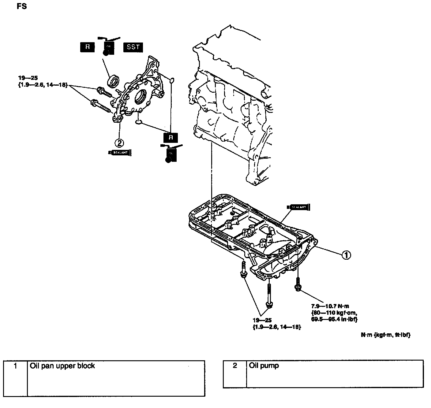
Oil Pump, Engine
>>
Removal and Installation
Removal and Installation