FREE REPAIR MANUALS & LABOR GUIDES 1982-2013 Vehicles
Courtesy of Operation CHARM: Car repair manuals for everyone.

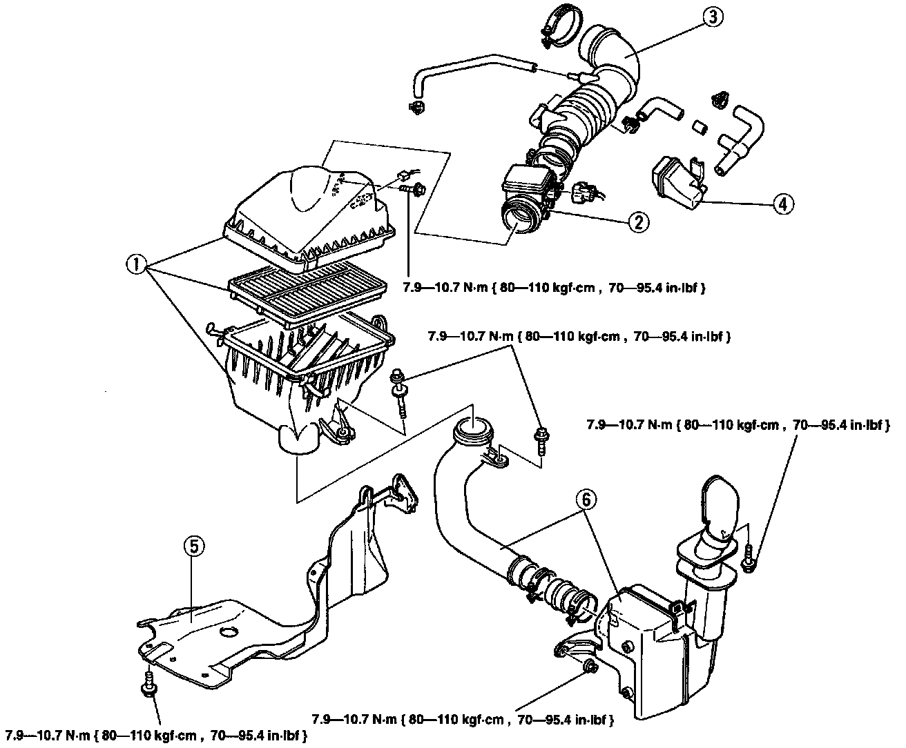
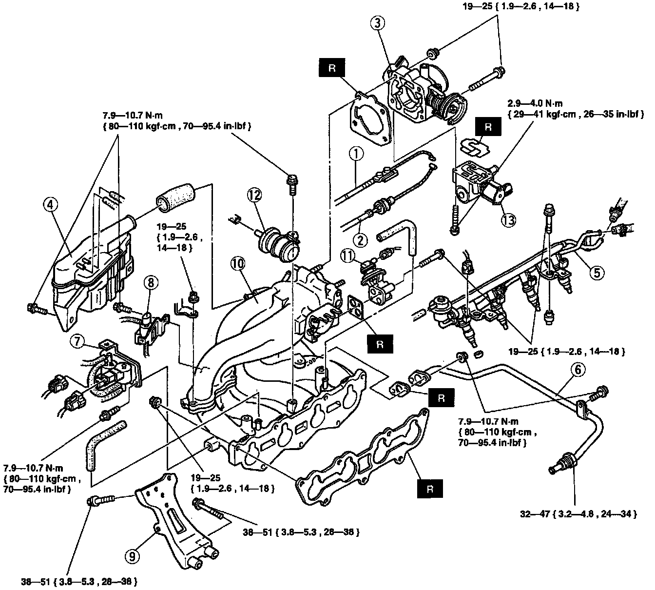
Torque Specifications

Intake:




Intake:




Upper Engine:








TIGHTENING SEQUENCE/SPECIFICATIONS
1. Tighten the cylinder head bolts in two or three steps in the order shown to achieve a final torque of 17.2-22.0 Nm (12.7-16.2 ft. lbs.).






2. Put a paint mark on each bolt head
3. Using the marks as a reference, tighten the bolts by turning each 85°-95° in the sequence shown.
4. Further tighten each bolt by turning another 85°-95° in the sequence shown.






DIMENSIONS
Bolt Length:
- Standard (New): 99.2-99.8 mm (3.91-3.92 inch).
- Maximum: 100.5 mm (3.957 inch).