FREE REPAIR MANUALS & LABOR GUIDES 1982-2013 Vehicles
Courtesy of Operation CHARM
:
Car repair manuals for everyone.
Home
>>
Mazda
>>
2000
>>
Protege DX L4-1.6L DOHC
>>
Repair and Diagnosis
>>
Diagrams
>>
Electrical Diagrams
>>
Powertrain Management
>>
System Diagram
>>
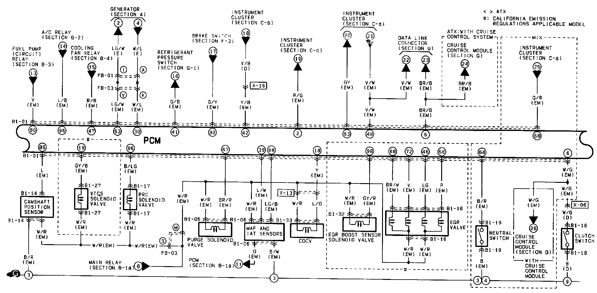
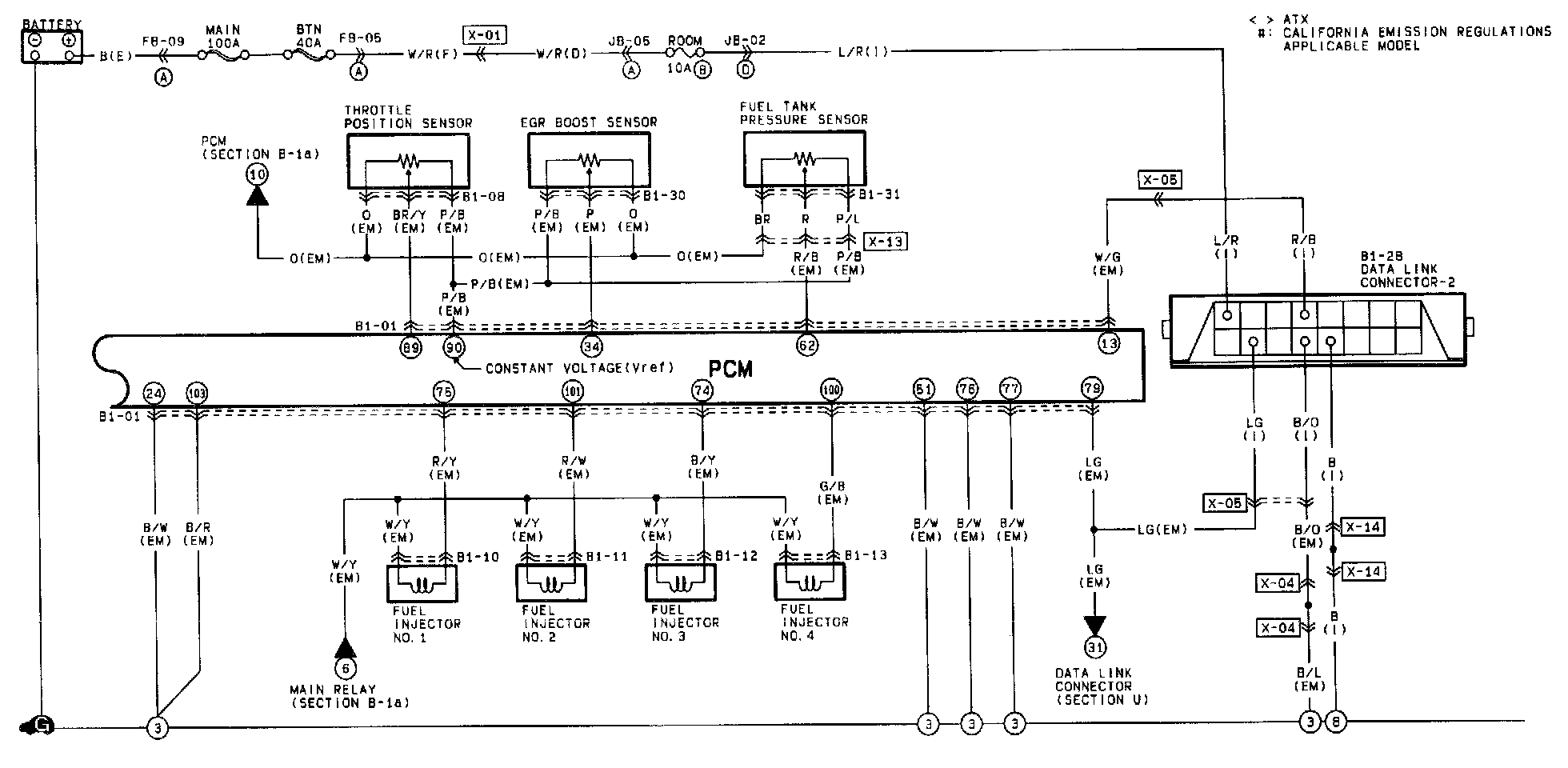
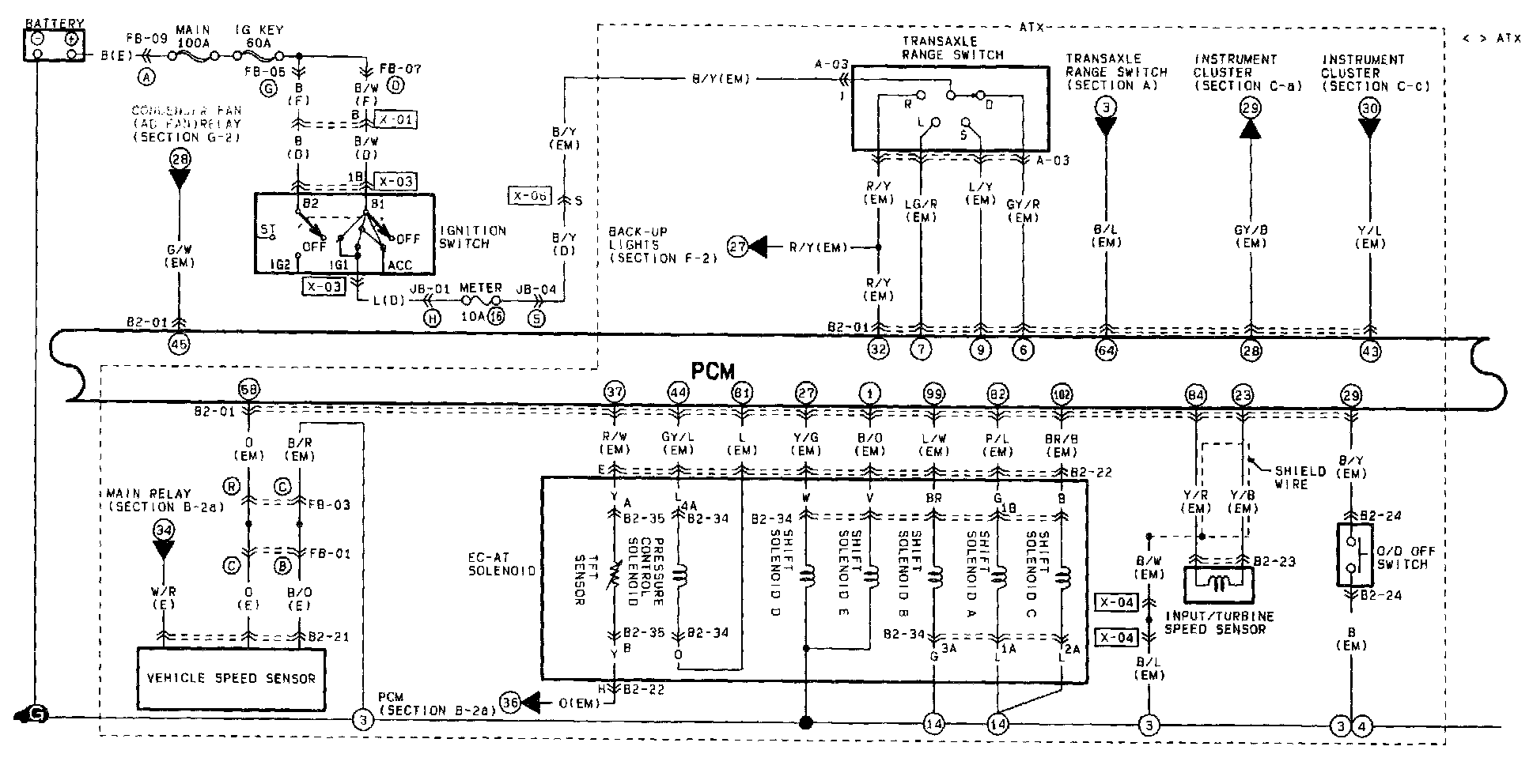
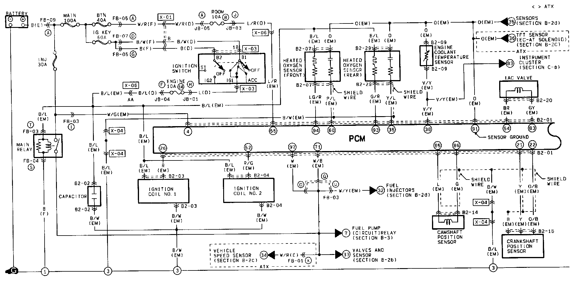
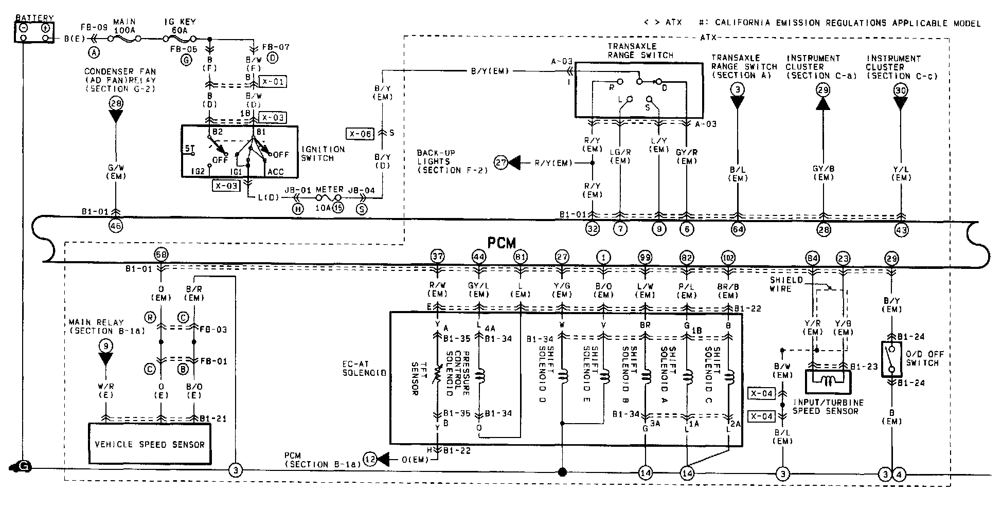
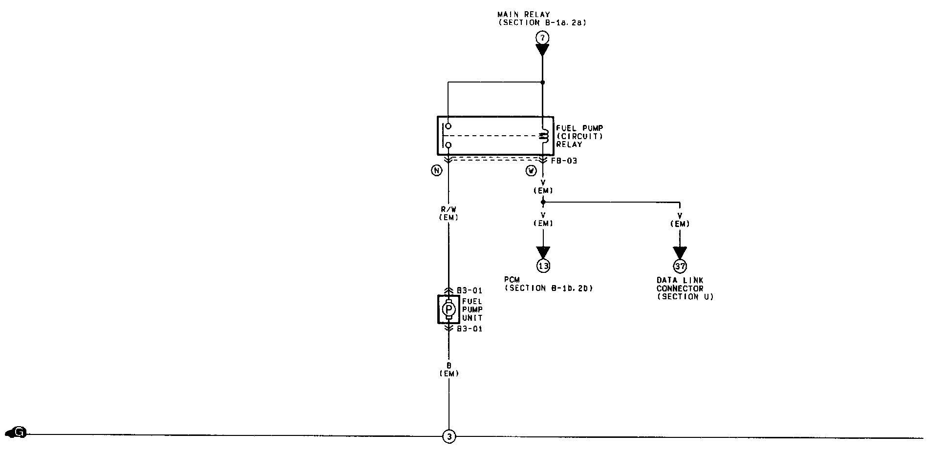
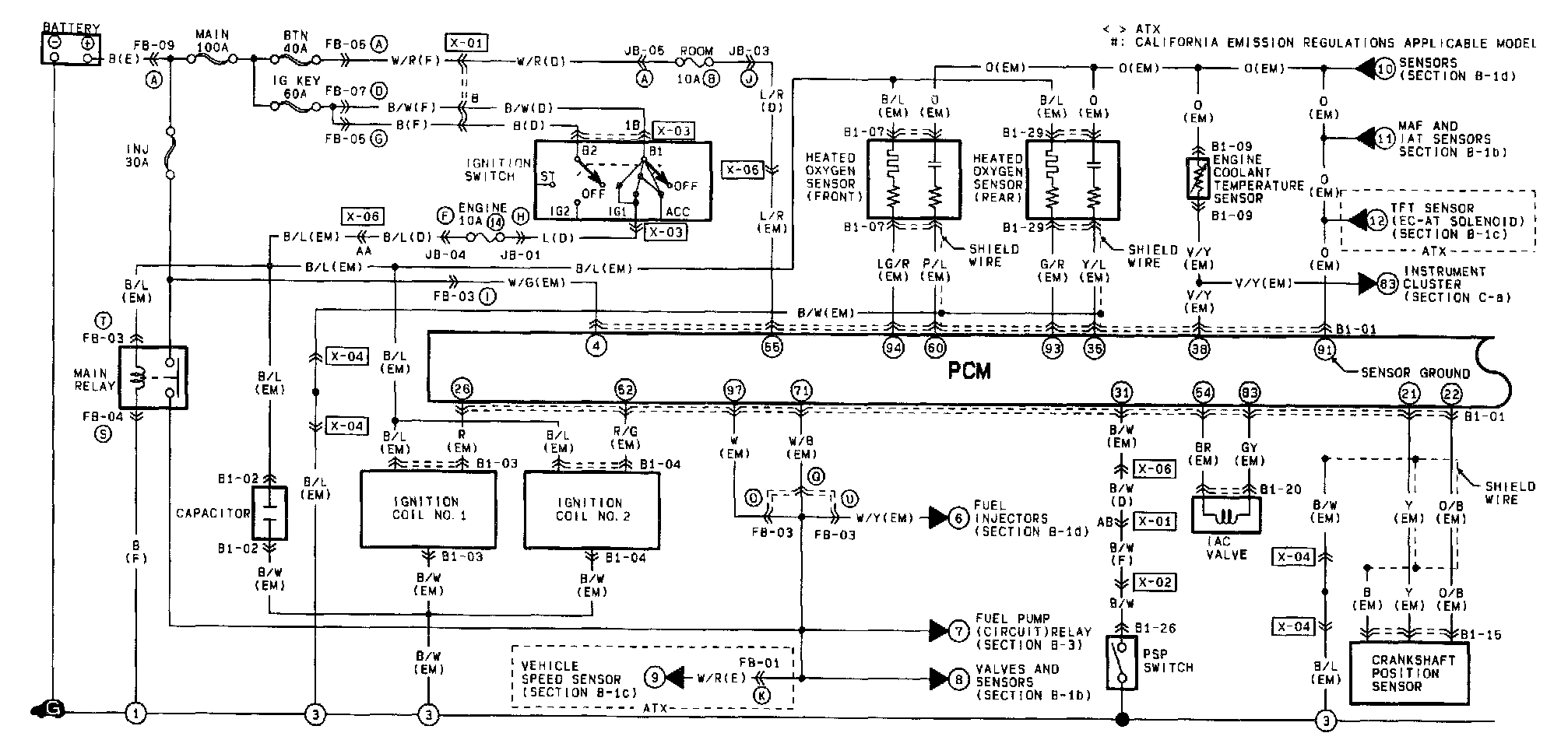
EC-AT Control System
EC-AT Control System
B-1a:
B-1b:
B-1c:
B-1d:
B-2a:
B-2b:
B-2c:
B-2d:
B-3: